300B电子管功率放大器电路图 300B电子管功率放大器电路图 关键词: 300B电子管功率放大器电路图 300B电子管功率放大器电路图 供应信息0条 供应信息0条 供应信息0条 供

用300B电子管做的推挽功率放大器(四)
1255x665 - 28KB - GIF

300B的高保真功率放大器电路原理图
519x677 - 109KB - JPEG

300B的高保真功率放大器电路原理图
425x500 - 60KB - JPEG

用300B制作胆机
476x459 - 50KB - JPEG

【图】300b胆机电路原理图音频电路
680x472 - 45KB - JPEG

WE102\/101直热式电子管10倍放大器原理图首
646x770 - 19KB - PNG

300B胆机电路原理图
680x472 - 47KB - JPEG

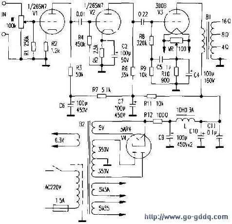
300B组成的单端甲类电子管功放电路_电路图之
450x326 - 82KB - JPEG

纸上谈兵:原创的二级直耦放大300B电路 - 『胆
1259x917 - 133KB - JPEG

300b电子管单端胆机功放发烧级 - 岁月留声工
700x466 - 136KB - JPEG

采用电子管300b的高保真功率放大器电路图的
518x543 - 49KB - JPEG
![[技术帖(电子管类)] Audio Note 300B Quest 实物](http://file.tubebbs.com/attachments/day_170225/170225194343333b490394217b.jpg)
[技术帖(电子管类)] Audio Note 300B Quest 实物
1530x930 - 167KB - JPEG

采用电子管300B的高保真功率放大器电路图的
517x204 - 26KB - JPEG

英国Audio Note Kit One 单端300B功放与仿制
876x565 - 81KB - JPEG

求AUDIO NOTE 6SN7+300B单端电路图。谢谢
1024x763 - 26KB - GIF