中文名称:历史数据存储英文名称:historicaldatamemory. 历史数据存储 编辑锁定 本词条缺少信息栏、名片图,补充相关内容使词条更完整,还能快速升级,赶紧来编辑吧! 中文名称

大拿分享:影响SEO流量的六大关键因素 - A5创
600x277 - 23KB - PNG

bms海量历史数据存储系统设计
700x345 - 106KB - JPEG
OSISoft实时\/历史数据库PI的数据存储机制分析
933x697 - 135KB - JPEG

BMS海量历史数据存储系统设计
494x305 - 58KB - JPEG

BMS海量历史数据存储系统设计 - ChinaAET电
494x305 - 58KB - JPEG

bms海量历史数据存储系统设计-广电电器网-w
388x459 - 43KB - JPEG

OSISoft实时\/历史数据库PI的数据存储机制分析
927x690 - 123KB - JPEG

控制柜远程监控方案
554x240 - 97KB - JPEG

宿舍公寓物业电能收费系统 - 解决方案 - 西部电
555x351 - 142KB - PNG

bms海量历史数据存储系统设计_电子设计应用
494x305 - 58KB - JPEG
OSISoft实时\/历史数据库PI的数据存储机制分析
933x694 - 127KB - JPEG

BMS海量历史数据存储系统设计
640x493 - 136KB - JPEG

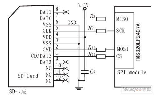
基于SD卡的BMS海量历史数据存储系统设计 -
800x292 - 42KB - JPEG

记录人类历史--永恒5D数据储存技术 - 高科技 -
400x248 - 12KB - JPEG

bms海量历史数据存储系统设计-广电电器网-w
640x493 - 52KB - JPEG