电路图主要由元件符号、连线、结点、注释四大部分组成。元件符号表示实际电路中的 电动车充电器的相关知识 网友都在找: 正在求助 换一换 回答问题,赢新手礼包 更多等待

电动车充电器电路图
750x640 - 177KB - JPEG

供应优质(外贸)JSN48V电动车充电器
2048x1536 - 338KB - JPEG

永久龙牌电动自行车充电器电路图
616x389 - 67KB - JPEG

48v电动车充电器改12v充电器问题?
1386x687 - 108KB - JPEG

求图片:电路原理图:48v电动车充电器型号:va16
450x384 - 52KB - JPEG

48V充电器电路图
877x599 - 99KB - JPEG

一个48v的充电器,高压电路的芯片是3842
856x415 - 113KB - JPEG

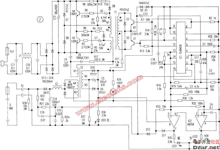
lm358构成的48v电动车充电器电路图
1162x619 - 378KB - JPEG

48v\/12ah电动车充电器
500x375 - 38KB - JPEG

谁有48v脉冲充电器的电路图外形如图
500x384 - 40KB - JPEG

谁有uc3842+lm358+48v电动车充电器电路图
600x301 - 60KB - PNG

48v电瓶充电器电路图_电子街
600x301 - 79KB - PNG

48v+充电器型号
960x720 - 116KB - JPEG

48V充电器电路图
877x599 - 127KB - JPEG

我有个bq-830充电器
1804x913 - 220KB - JPEG