
TB1227
660x944 - 116KB - JPEG

弹载SAR图像几何失真校正误差分析_俞根苗
813x1164 - 22KB - PNG

TB1227N
660x944 - 116KB - JPEG

基于支撑笔画的视觉文档图像透视失真校正研究
800x1168 - 44KB - PNG

图像桶形失真的一种校正方法_中华文本库
2000x2000 - 340KB - PNG

基于支撑笔画的视觉文档图像透视失真校正.pd
141x200 - 5KB - PNG

精确校正图像的径向畸变和倾斜失真-Read.PD
800x1168 - 389KB - PNG

弹载SAR图像几何失真校正误差分析_俞根苗
1890x2000 - 34KB - PNG

更加智能 DxO ViewPoint 3增添自动失真校正
540x405 - 120KB - JPEG

环视SAR几何失真校正误差分析及补偿技术研
1500x2121 - 912KB - PNG

图像桶形失真的一种校正方法
1449x2004 - 541KB - PNG

一种像增强器图像失真的校正方法-《深圳大学
283x392 - 31KB - JPEG

圆柱螺纹牙型非接触检测失真校正-农业机械学
800x1217 - 305KB - PNG

Photoshop教程-色彩校正技巧 - 百科教程网_经
400x273 - 138KB - JPEG

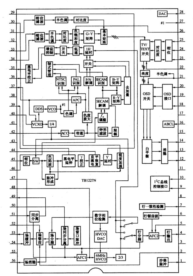
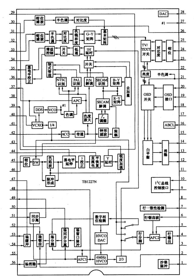
长虹4388背投电视机图像失真
500x375 - 18KB - JPEG
图像的几何失真校正专业班级:10 数字图像处理实验八:图像的几何失真校正本次选定图片cameraman.tif(256*
如果梯形校正都已经跳到最大值了图像还是改善有限,那可以调整投影仪的上下角度,直至调好为止。
针对基于X线透视的骨科手术导航系统中影像增强器图像失真的问题,在多项式变换校正影像增强器失真图像的基础
图像的几何失真校正1 专业班级:10 自选图片,按隔行(列)采样的方法,编写缩小1/4的程序。图像的几何失真
文章编号:1009-3087(2011)02-0072-04 会聚式相机获取的视差图像的梯形失真校正,王琼华1,2,李大海 四川
construction 数字图像处理实验八:图像的几何失真校正 一、实验目的 熟练本次选定图片cameraman.tif(256*
一种投影显示图像颜色失真校正方法[0] 下载积分:295 内容提示:一种投影显示图像颜色失真校正方法[0] 文档
文库App随时阅读 电脑端的便捷下载 发送个人邮箱 使用文库App可享受 发送个人邮箱 用App免费下载
梯形失真 会聚式相机 视差图像 以标定板特征点在待校正视差图像及参考视差图像中的坐标值建立待校正视差