STM32F103C8T6脚位分布图 能能天使|2018-06-26 |举报 共享文档 共享文档是百度文库用户免费上传的可与其他用户免费共享的文档,具体共享方式由上传人自由设定。了解文

stm32能不能申请到样片,应该注意哪些细节
697x377 - 43KB - PNG

STM32F103C8
519x395 - 95KB - JPEG

stm32f103zet6引脚图 - 嵌入式设计应用 - 电子发烧友网
650x457 - 65KB - PNG
stm32f103vc fsmc接DM9000A,读取不到ID。求助! - amoBBS 阿莫电子论坛
752x670 - 141KB - JPEG

基于STM32F103C8T6的嵌入式服务机器人体感
498x485 - 55KB - JPEG

stm32f103rct6引脚图及使用手册|远达驾校
688x629 - 66KB - JPEG

STM32F103C8T6引脚图,STM32F103C8T6开发板电路图 - ARM - 电子发烧友网
568x517 - 62KB - JPEG

指示;mbs(引脚12)
497x348 - 153KB - JPEG

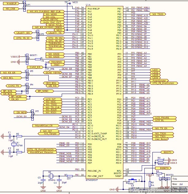
STM32F207 FSMC 驱动 NOR 存储 调试不通 请求万能的论坛帮助 含源程序工程和原理
613x634 - 166KB - JPEG

STM32F103C8T6引脚图,STM32F103C8T6开
637x518 - 67KB - JPEG

STM32F051C8T6引脚图,STM32F051C8T6电
677x526 - 53KB - JPEG
PCB抄板(电路板抄板)GD32\/STM32特点和程序移植_PCB抄板-鹏芯集成电路_新浪博客
690x578 - 63KB - JPEG

stm32f103c8t6+价格
470x353 - 93KB - JPEG
reset引脚的区别;例如stm32f103c8t6
690x517 - 96KB - JPEG

EU-STM32F103ZE真的好吗 哪里买便宜价格
841x841 - 184KB - JPEG