MSOP-8 封装尺寸图 houjc123456|2018-06-27 |举报 共享文档 共享文档是百度文库用户免费上传的可与其他用户免费共享的文档,具体共享方式由上传人自由设定。了解文档类

NS4150单声道3W D类功放IC无需波器SOP8
361x552 - 62KB - JPEG

【AOI TI MSOP8】价格,厂家,图片,集成电路\/IC
228x210 - 7KB - JPEG

msop8图片|msop8
555x263 - 13KB - JPEG

【供应锂电保护IC 原装SDC6073 MSOP-8封装
800x800 - 120KB - JPEG

仙童FAIRCHILD+芯片外形尺寸
250x202 - 10KB - JPEG

供应LT3972IMSE LTDXS 封装:MSOP10 33V、
619x423 - 140KB - PNG

对msop8的ic芯片进行烧写
651x284 - 56KB - JPEG

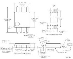
MSOP8 封装规格
823x1381 - 63KB - PNG

#SGM8582#华永泰专业提供圣邦微原装现货_
554x424 - 37KB - JPEG

74DCUR 代理, 价格 图片 厂家 封装MSOP-8图
725x600 - 54KB - JPEG

#SGM8582#华永泰专业提供圣邦微原装现货_
554x453 - 38KB - JPEG

gba系列sop8封装尺寸图
710x448 - 42KB - JPEG

MSOP8封装 MSOP8封装所有分类 茗茶网 茶叶
220x220 - 39KB - JPEG

MSOP8封装 MSOP8封装所有分类 茗茶网 茶叶
220x220 - 47KB - JPEG

【集成电路IC芯片】全新原装24C02 MSOP8封
800x800 - 279KB - JPEG