尾 板 介 绍 以 及 结 构 及 原 理 示 意 图 ( 1 ) cs85813016上传于2013-07-10|质量:5.0分|1679|323|暂无简介|举报 手机打开 试读已经结束,如果需要继续阅读或下载,敬请购买 ¥0
内藏式液压尾板工作原理视频时长内藏式汽车尾板适用于微型客货车,轻型卡车和重型物流卡车等各种车型;改变了车载起重尾板是货车型的专属的使用性质。百度快照浅谈汽车
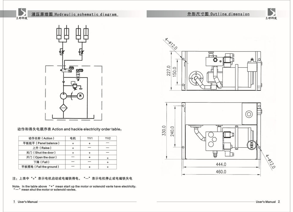
汽车液压尾板是由形成平行线的封闭式油缸、支架、液压泵站、电气控制元件和面板等通过销轴连接组合而成。汽车液压尾板油缸、支架的动作是通过液压动力箱中的组合阀
尾板结构及原理示意图,附带安装参数及使用方法。 专业文档 专业文档是百度文库认证用户/机构上传的专业性文档,文库VIP用户或购买专业文档下载特权礼包的其他会员用户可
厢式货车液压尾板工作原理?作为货物搬运装卸的场所中的重要工具,液压尾板、登车桥是我们生活中最常见的两种装卸设备。液压尾板是在车厢后门上在加上一块面板,通过遥
铝合金汽车尾板液压原理是科技类高清视频,于2017-10-26上映,视频画面清晰,播放流畅,内容质量高。视频主要内容:铝合金汽车尾板是指安装于货车和各种密闭车辆尾部的一种以车载蓄电池为动力的液压起重装卸设备,制作材料为。。
尾板适用于微型客货车,轻型卡车和重型物流卡车等各种车型;改变了车载起重尾板是货车型的专属的使用性质。 小知识 生活百科 内藏式液压尾板工
汽车尾板结构由尾板、举升臂、举升缸、关门缸、增压缸、液压系统、电控箱和机架等组成。其液压系统由电机、液压泵、液压控制阀和油箱等组
厢式货车液压升降尾板工作原理?作为货物搬运装卸的场所中的重要工具,液压升降尾板、登车桥是我们生活中最常见的两种装卸设备。液压升降尾板是在车厢后门上在加上一块

升降式止回阀图纸_升降式止回阀图纸图片分享
448x336 - 24KB - JPEG

【供应汽车尾板液压汽车尾板油缸、货车尾板油
680x481 - 34KB - JPEG

【生产销售汽车尾板液压动力单元 汽车尾板用
1023x741 - 90KB - JPEG

【图】装卸好帮手 三按钮二指禅 解读液压尾板
552x302 - 82KB - JPEG

1家直销 常规尾板 汽车液压升降尾板图片,1家直
678x323 - 35KB - JPEG

汽车尾板_广东东莞达成汽车液压升降尾板厂家
592x320 - 52KB - JPEG

汽车尾板广州汽车尾板安装液压汽车尾板出售
300x399 - 74KB - JPEG

广东汽车液压升降尾板,顺德汽车尾板,中山汽车
956x640 - 69KB - JPEG

供应汽车液压升降尾板与液压动力单元D116H
1023x741 - 90KB - JPEG

汽车尾板液压油缸定做,举升油缸,摆动(翻转)油
300x399 - 18KB - JPEG

辽宁汽车尾板、货车尾板、升降尾板、液压升降
1920x1440 - 228KB - JPEG

装卸货物好帮手 厢式货车液压尾板简介
550x367 - 151KB - JPEG

汽车液压尾板液压动力单元
990x460 - 88KB - JPEG

升降尾板_汽车尾板货车升降尾板液压传动式装
518x392 - 45KB - JPEG

汽车尾板_汽车尾板供货商_金华汽车尾板最好
800x600 - 75KB - JPEG