产品设计要求:1MHz频率下输入阻抗达到1M欧姆查遍ADI的运放,似乎没一个符合要求的运放,最小的一个杂散电容1.3pF,换算成输入阻抗也只能达到200来K。请问ADI是否有相

关于高速运放输入阻抗和输出的阻抗匹配问题
430x427 - 20KB - PNG

运放器为什么是高输入阻抗,低输出阻抗-放大电
435x293 - 36KB - JPEG

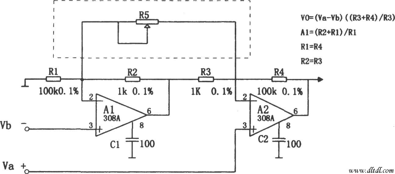
308集成运放构成的高输入阻抗仪用放大器 仪表
1294x571 - 54KB - JPEG

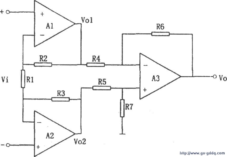
高输入阻抗三运放差动放大电路
863x598 - 40KB - JPEG

差分运放ad8132的输入阻抗可以这样变化吗?
650x579 - 23KB - PNG

集成运放输入阻抗匹配和电容的问题 - 维库电子
611x472 - 186KB - PNG

【运放输入阻抗匹配计算】报价_参数_图片_评
500x477 - 41KB - JPEG

运放输入输出阻抗计算
551x717 - 90KB - PNG

运放输入的共模输入阻抗,差模输入电阻--nj21ic
875x544 - 29KB - PNG

高输入阻抗三运放差动放大电路
431x266 - 23KB - JPEG

基于CFl4753单、双电源构成的高输入阻抗四运
460x344 - 17KB - JPEG

运放的输入级 输出阻抗的计算
600x427 - 39KB - JPEG

308集成运放构成的高输入阻抗仪用放大器
1294x571 - 67KB - JPEG

高输入阻抗三运放差动放大电路 - 可控硅专项
1550x803 - 91KB - JPEG

基于运放的同相和反向放大电路的输入输出阻抗
642x453 - 35KB - JPEG