常用晶闸管变流器的交叉可逆接线方式主电路方案图是()。 注册电气工程师-供配电专业 以下试题来自:注册电气工程师(供配电专业)-电气传动(四) 单项选择题 常用晶闸管变流

常用晶闸管变流器的交叉可逆接线方式主电路方
350x164 - 16KB - JPEG

直流电机控制组件KCZ1电原理图及外部接线可
1560x1114 - 329KB - PNG

力电子课程设计说明书-三相电压型全桥可逆变
993x1404 - 56KB - PNG

电力电子三相电压型全桥可逆变换器的设计.do
141x200 - 6KB - PNG

可控硅在单相电机中的调速电路-电工之家-电工
428x258 - 22KB - JPEG

可控环流可逆调速系统
473x418 - 62KB - JPEG

3KW可控硅直流调速系统电路-电子电路图,电子
820x595 - 146KB - JPEG

图】KJZ1直流电机调速板电原理图可控硅专项
1562x1698 - 580KB - PNG

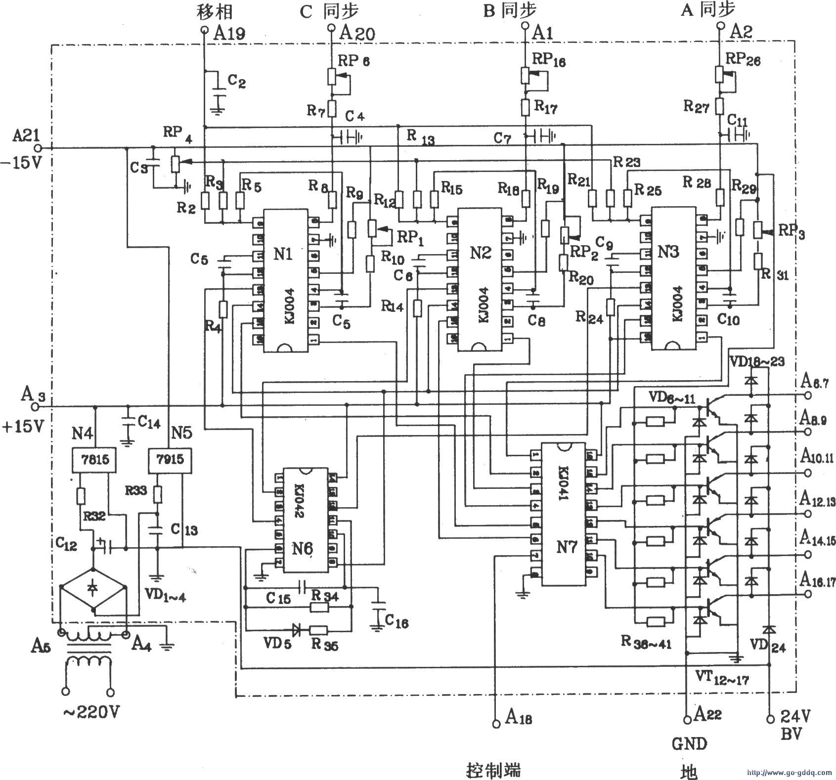
可控硅三相全控桥控制板KJZ6电原理图
1691x1578 - 361KB - JPEG

打石机160KW自耦减压启动柜\/中文汉显旁路型
720x1079 - 97KB - JPEG

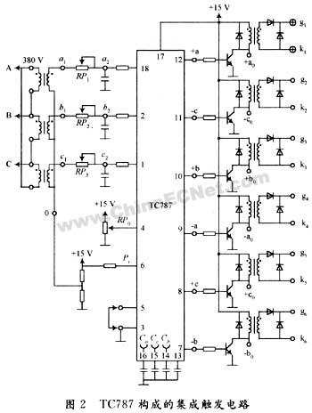
三相全控桥式整流电路实验装置的研制[芯片介
350x464 - 22KB - JPEG

自耦降压启动柜的常见故障及寻找方法
293x145 - 6KB - GIF

艾默生EV2000系列变频器在磕头机中的应用-艾
380x297 - 11KB - JPEG

硅整流装置·方面向控制电路等提供直流电压|
515x482 - 49KB - JPEG

运动控制系统
554x437 - 51KB - PNG