整流二极管的全波整流电路图图全波整流电路图 -整流单元电路图-电子产品世界 电路设计- 电源电路图- 整流单元电路图- 采用两个整流二极管的全波整流电路图 采用两个整流

晶体二极管单相全波电阻负载整流电路
523x447 - 72KB - JPEG

单向全波整流电路图_电路图_整流二极管
380x226 - 6KB - GIF

二极管整流桥电路图?点我点我!_二极管整流桥
500x296 - 34KB - JPEG

全波精密整流电路二极管怎么选
691x353 - 25KB - JPEG

【图】四个二极管型全波整流电路整流单元 电
221x207 - 40KB - JPEG

采用四个整流二极管或整流桥的全波整流电路图
450x275 - 19KB - JPEG

单相中间抽头全波整流电路
600x240 - 17KB - GIF

单相桥式整流电路图+单相全波整流电路由两个
715x351 - 30KB - JPEG

采用两个整流二极管的全波整流电路图|电源电
415x162 - 12KB - JPEG

全波桥式整流电路的工作原理_电路图
416x374 - 39KB - JPEG

晶体二极管全波整流电路(用于电子管功放),解决
1049x417 - 36KB - JPEG

晶体二极管组成的各种整流电路
354x385 - 37KB - JPEG

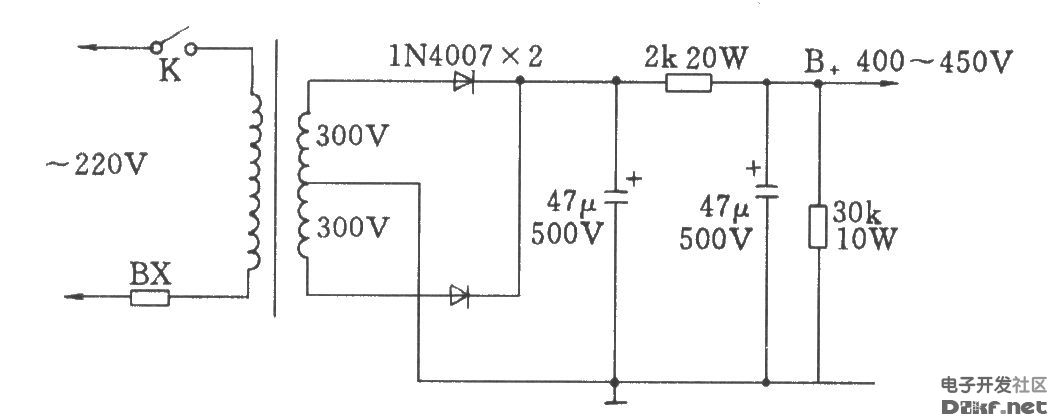
晶体二极管全波整流电路
1049x417 - 89KB - JPEG

桌面全波整流电路图:波姬小丝全裸:波波全见激
295x221 - 13KB - JPEG

蓄电池用半波整流充电好,还是用全波整流充电
475x220 - 15KB - JPEG