详解大功率可调稳压电源电路图 乐西电|2018-06-30 |举报 共享文档 共享文档是百度文库用户免费上传的可与其他用户免费共享的文档,具体共享方式由上传人自由设定。了解

lm317可调稳压电路图
545x306 - 7KB - GIF

lm317的可调稳压电路
493x353 - 13KB - JPEG

【图】具有保护功能的可调稳压电源电路图及工
592x343 - 44KB - JPEG

【图】采用简单元件设计串联型可调稳压电路电
650x222 - 66KB - JPEG

【图】μA723构成的2~37V可调稳压电源电路
650x490 - 45KB - GIF

我的可调稳压电路,LM337输出一直是-26.8V,调
600x334 - 28KB - JPEG

【图】三端可调式稳压器电路原理图电源电路
370x368 - 42KB - JPEG

急求一个可调直流稳压电路的电路图和解析
500x200 - 16KB - JPEG

谁有可调直流稳压电源的电路图啊?给个我啊!
500x265 - 34KB - JPEG

一款可调稳压电源电路设计方案 - OFweek电子
553x256 - 76KB - JPEG

【图】可调直流稳压电源电路图稳压电源
377x223 - 69KB - JPEG

稳压电源电路图:大功率可调稳压电源电路图
491x258 - 41KB - GIF

【图】有限流功能的简易可调稳压电源电路图稳
740x292 - 16KB - GIF

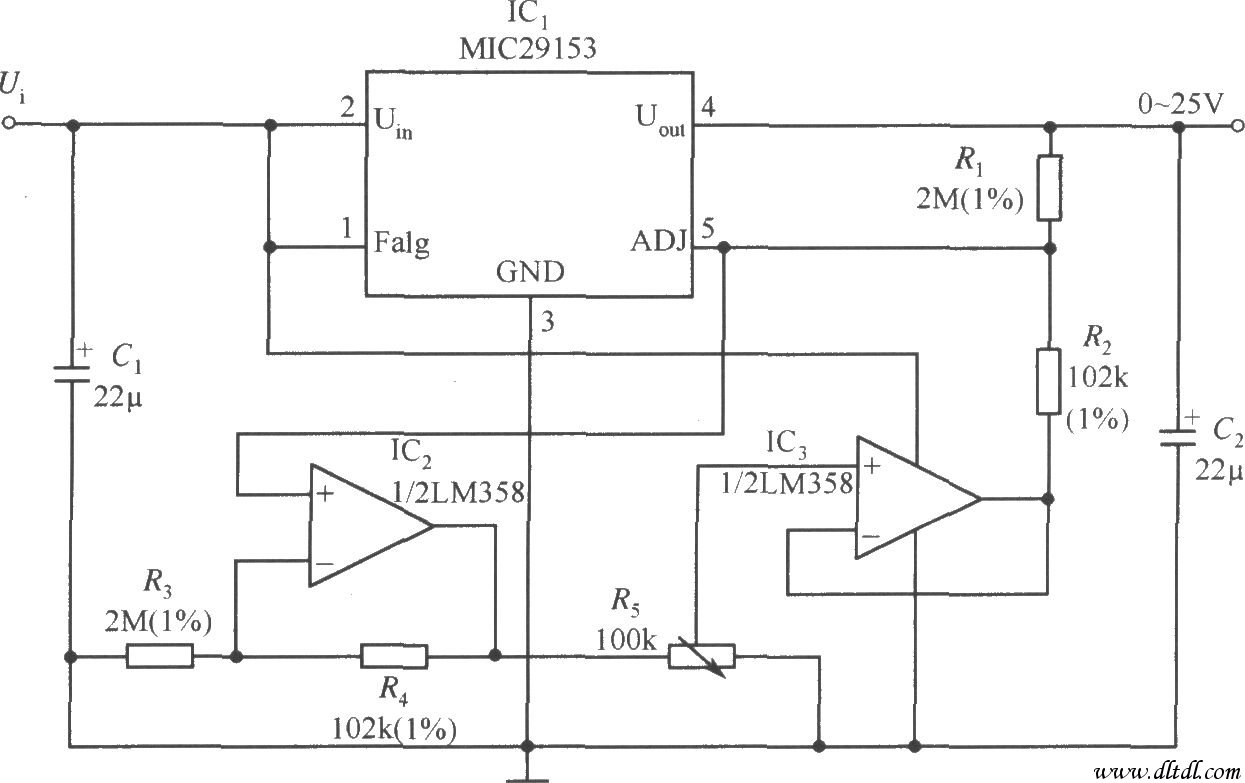
MIC29153构成的输出电压0~25V连续可调的稳
1245x783 - 81KB - JPEG

3~6v可调稳压电源电路
770x354 - 10KB - GIF