目前电纸书市场的大头还是Kindle,国内也刚刚出现了iReader。但很多人不知道的是,包括Kindle、iReader在内,目前大多数电纸书都采用了飞思卡尔处理器。那么问题来了,飞思

【接触式CPU卡 电表卡 数字电路卡 社保卡全自
472x315 - 15KB - JPEG

用数字电路分立元件搭成的CPU_阿南
449x337 - 46KB - JPEG

用数字电路分立元件搭成的CPU_阿南
449x337 - 41KB - JPEG

磁卡-接触式CPU卡 够点卡 数字电路卡 社保卡
751x545 - 363KB - JPEG

接触式CPU卡 够点卡 数字电路卡 社保卡(全自
752x738 - 136KB - JPEG

IC卡-接触式CPU卡 电表卡 数字电路卡 社保卡
310x310 - 28KB - JPEG

CPU时钟电路的外部电路结构 - 数字电路 - 21I
1008x390 - 28KB - GIF

用数字电路分立元件搭成的CPU_阿南
449x337 - 39KB - JPEG

用数字电路分立元件搭成的CPU_阿南
449x337 - 21KB - JPEG
Verilog 数字电路设计之带hazard的五级流水线
1364x951 - 96KB - PNG
数字电路设计之五级流水线设计(CPU)
668x440 - 96KB - PNG
数字电路设计之五级流水线设计(CPU)
662x340 - 73KB - PNG
数字电路设计之五级流水线设计(CPU)
648x301 - 59KB - PNG
Verilog 数字电路设计之带hazard的五级流水线
267x263 - 6KB - PNG

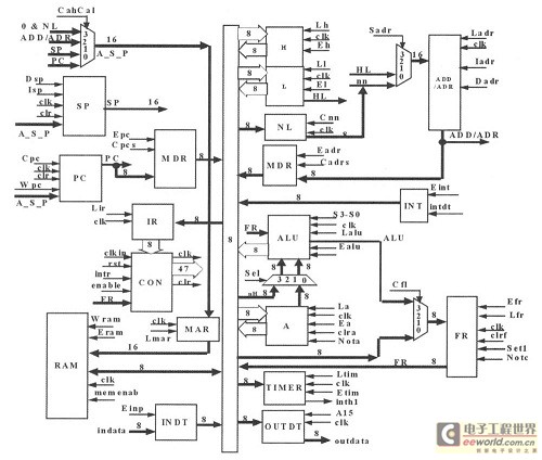
基于FPGA的8085A CPU结构分析 (1)_电子资
500x424 - 57KB - JPEG