st188光电传感器仿真内容来自筑龙网与st188光电传感器仿真内容来自与之相关的精品资料、博文热帖、培训课程等。更多st188光电传感器仿真相关资料请访问日更新500篇

传感器-ST188 反射式红外光电传感器 L4传感器
776x443 - 53KB - JPEG

供应光电传感器ST188
470x360 - 111KB - PNG

ST188反射式红外光电传感器使用方法?_光电
438x358 - 59KB - JPEG

全新原装ST188 L4传感器 光电开关 反射光耦
220x220 - 9KB - JPEG

ST188 反射式红外光电传感器
436x280 - 14KB - JPEG

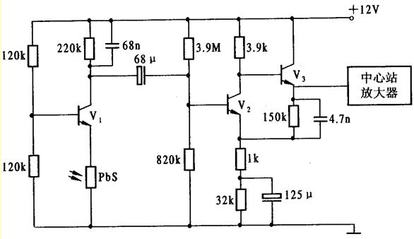
ST188光电式传感器的应用 - 程序园
575x658 - 42KB - JPEG

光电开关 反射式红外光电传感器 循迹传感器 红
621x248 - 15KB - JPEG

美国空军将在6月21日对机载监视光电传感器项
270x240 - 18KB - JPEG

光电传感器的应用_电子设计应用_电子设计产
586x338 - 23KB - JPEG

基于80C51单片机的智能小车设计 - 51单片机
450x258 - 23KB - JPEG

几种常用的集成光电传感器及应用
507x367 - 20KB - JPEG

光电传感器ST151
122x150 - 3KB - JPEG

采用ST178制作的反射式红外传感器电路
306x238 - 27KB - JPEG

传感器-新款 测速传感器模块 计数器模块 电机
750x460 - 134KB - JPEG

由光电型烟雾检测报警集成电路MC145010构成
1897x1233 - 158KB - JPEG