晶闸管实用电路详解 论文电气自动化/电力论文晶闸管实用电路详解 晶闸管实用电路详解 编号:5-554024 | pdf格式 | 11.34M | 303页 下载文档 文档介绍 上传者:天涯浪子603 晶

晶闸管实用电路详解_网上买书_收藏品交易_网
350x350 - 15KB - JPEG

《晶闸管实用电路详解》, 方大千, 郑鹏, 朱征涛
354x500 - 27KB - JPEG

【晶闸管实用电路详解图片】高清图_外观图_
800x800 - 44KB - JPEG

实用可控硅触发电路图-电子电路图,电子技术资
594x557 - 98KB - JPEG

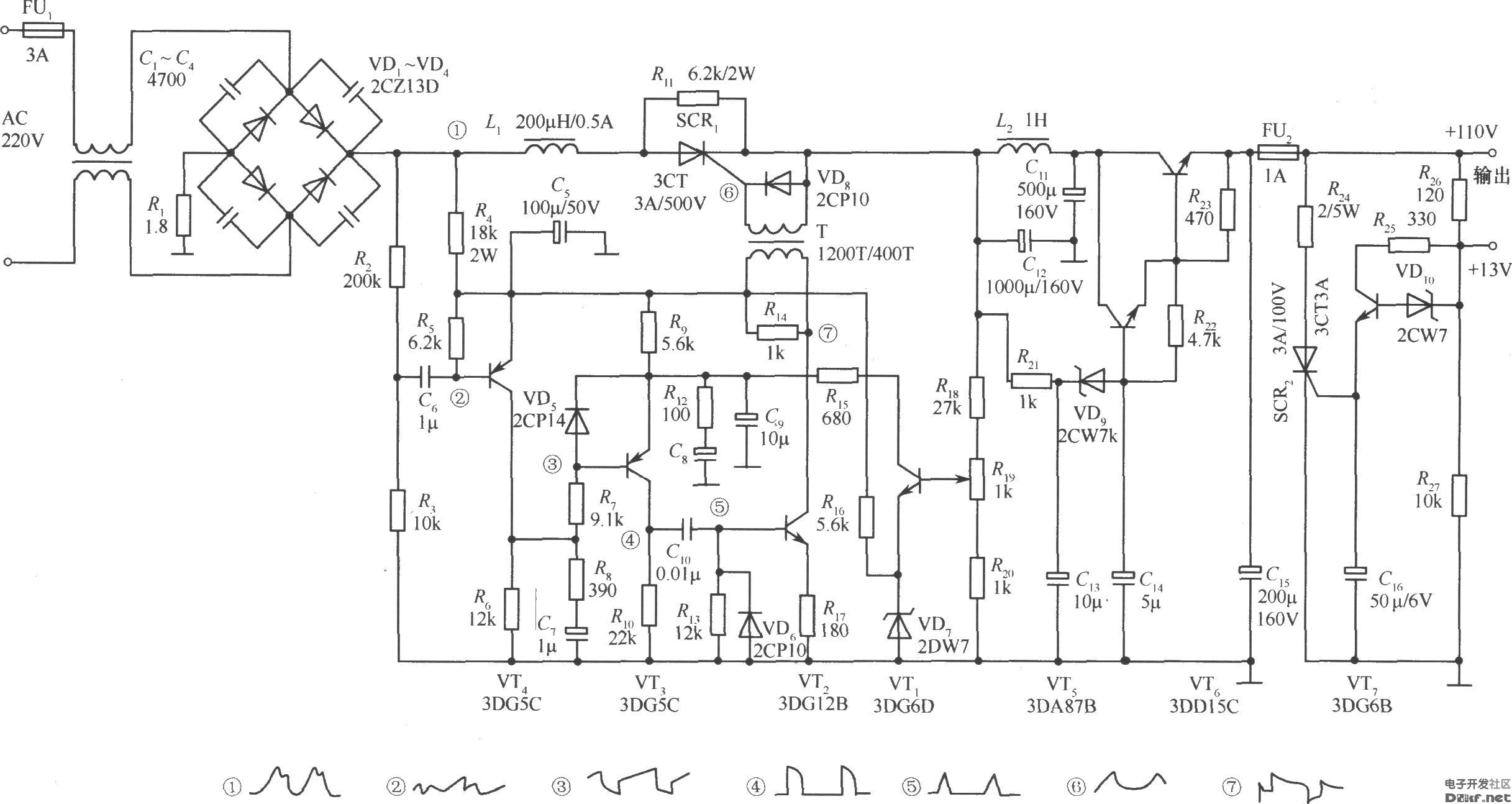
可控硅纹波触发式开关稳压电源实用电路
2434x1294 - 256KB - JPEG

晶闸管实用电路详解\/方大千
450x878 - 31KB - JPEG

《晶闸管实用电路详解》(方大千,等)
350x350 - 11KB - JPEG

晶闸管实用电路详解_图书杂志-工业技术-其他
400x400 - 27KB - JPEG

晶闸管实用电路详解 方大千\/\/郑鹏\/\/朱征涛 正版
400x400 - 28KB - JPEG

《晶闸管实用电路详解》 方大千, 郑鹏, 朱征涛
247x346 - 13KB - JPEG

《晶闸管实用电路详解》 方大千, 郑鹏, 朱征涛
247x346 - 17KB - JPEG

正品|晶闸管实用电路详解(方大千,等)-书籍\/图书
300x300 - 18KB - JPEG

实用可控硅触发电路图_电子技术大全,百科知识
416x390 - 42KB - JPEG

博书购《VJ72UOU》 晶闸管实用电路详解 - Y
300x300 - 13KB - JPEG

电路识图66-晶闸管实用电路详解-北京时间
632x568 - 43KB - JPEG