可控硅工作原理及参数详解 jackielonghu|2017-11-22 |举报 可控硅工作原理及参数详解 共享文档 共享文档是百度文库用户免费上传的可与其他用户免费共享的文档,具体共享方
可控硅工作原理_坠落冰蓝
477x315 - 66KB - JPEG

双向可控硅结构原理图和应用电路-电子电路图
580x270 - 24KB - JPEG

220v转110v_220v转110v变压器2000w_电压转
500x439 - 19KB - JPEG

简易可控硅调压调温电路(可控硅特性,工作原理
572x254 - 22KB - JPEG

220v可控硅焊机电路原理图无水印\/220v可控硅
644x366 - 71KB - JPEG

三相可控硅移相触发器_三相可控硅移相触发器
600x311 - 81KB - PNG

调光电路工作原理
320x240 - 11KB - JPEG

220v可控硅焊机电路原理图无水印\/220v可控硅
558x635 - 63KB - JPEG

220v可控硅焊机电路原理图无水印\/220v可控硅
389x641 - 78KB - JPEG

可控硅限流电焊机思路原理图--欢迎各位高手帮
348x379 - 18KB - JPEG

桥式可控硅整流电路原理图
689x378 - 38KB - JPEG

220v可控硅焊机电路原理图无水印\/220v可控硅
680x249 - 16KB - JPEG

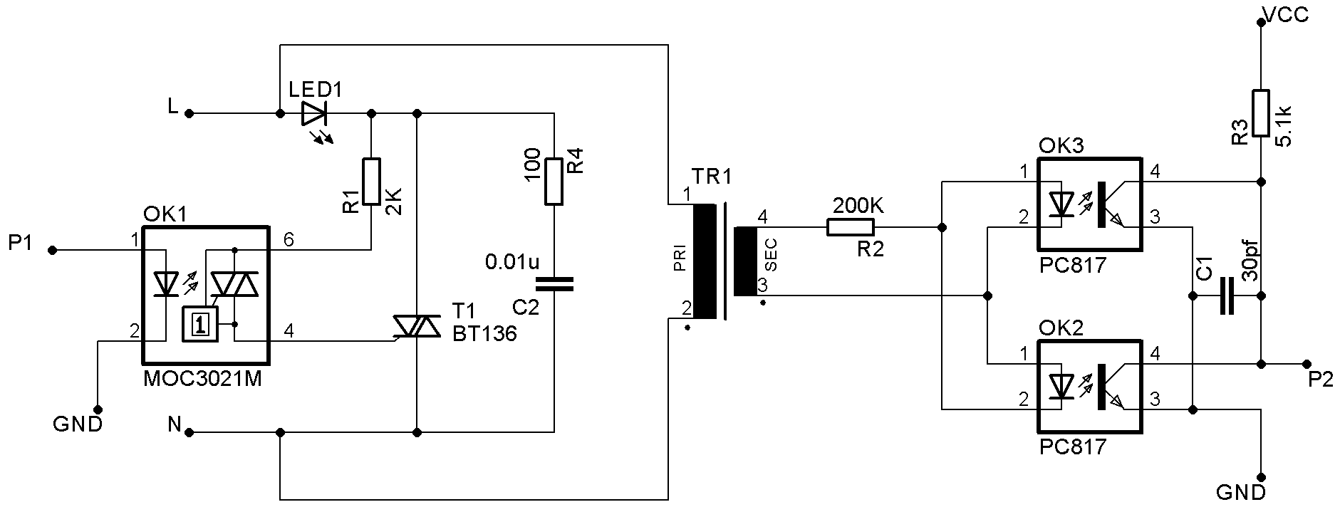
花了点时间,把Arduino通过可控硅控制220V市电
1881x712 - 10KB - PNG

220v可控硅焊机电路原理图无水印\/220v可控硅
506x316 - 37KB - JPEG

220v可控硅焊机电路原理图无水印\/220v可控硅
485x200 - 23KB - JPEG