这是个高频大功率管,右特性有栅流的,功率够大的但很难做成高端的电子管功放。高端的电子管功放一般用音频专用管如EL34、KT66、KT88做推挽后级。 本回答由提问者推荐

超短波电疗机(台式、平绒电极)-超短波治疗仪|
456x333 - 56KB - JPEG

再画一张fu811单端请各位看看合理不,探讨一下
438x321 - 36KB - JPEG

电子管FU29+6N9P组成的30W并联单端功放电
622x412 - 33KB - JPEG

图】电子管差分放大电路设计分析及原理图电子
360x650 - 157KB - JPEG

超短波治疗机类型、工作原理和基本结构,
366x520 - 48KB - JPEG
价廉声靓的FU811单端甲类功放 \/ 查查362
590x220 - 29KB - JPEG
FU-50单管100W功放_manylg
690x426 - 45KB - JPEG

国产精品;电子管超短波电疗仪; - 『胆友自用器
607x456 - 77KB - JPEG

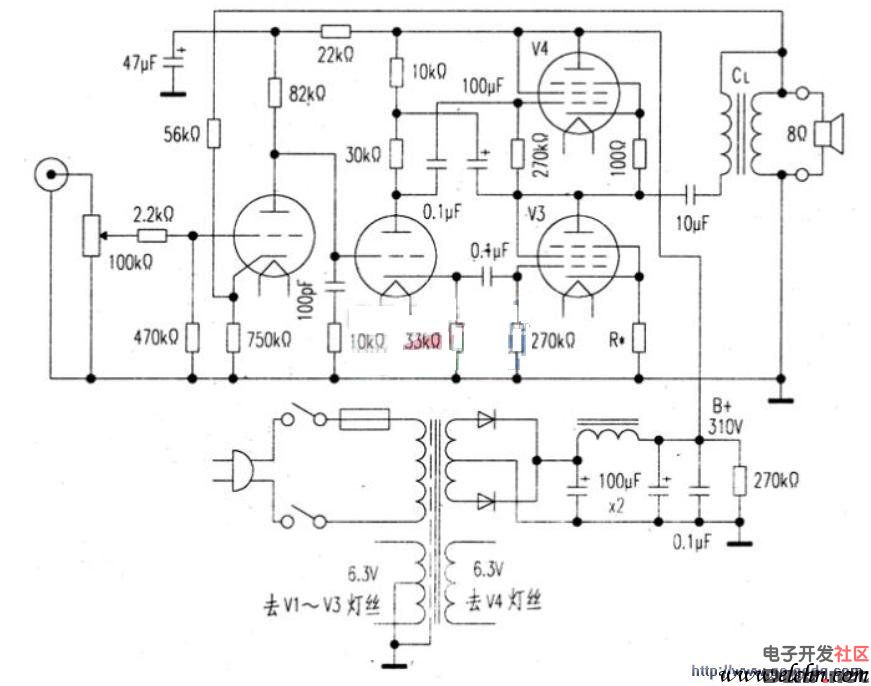
一款准OTL电路电子管功放电路
871x686 - 63KB - JPEG

电子管功放电路图_FU-7电子管功放电路电路图
759x556 - 52KB - JPEG

2a3电子管功放电路图
762x603 - 75KB - JPEG

二个FM-70FT的电子管短波功放0.6KW - 第2页
683x297 - 21KB - GIF

DIY A1850T胆机_家电维修资料网_www.52010
685x330 - 30KB - JPEG

电子管管脚排列和命名方法-电子电路图,电子技
277x203 - 14KB - JPEG

求一只张电子管KT88推挽机的功放电路 - 『胆
975x702 - 95KB - JPEG