前胆后石单端甲类功放 zhaohuai0615|2010-08-28 |举报 180篇发烧功放制作学习资料 阅读已结束,下载本文需要 0下载券 立即下载 想免费下载更多文档?立即加入VIP 免下载券

四款前胆后石馄合功放选用不同功放管音色介绍
2627x1410 - 288KB - JPEG

四款前胆后石馄合功放选用不同功放管音色介绍
2473x1360 - 243KB - JPEG

四款前胆后石馄合功放选用不同功放管音色介绍
2505x1525 - 255KB - JPEG

前胆后石功放浏览文章维修技术维修吧
1038x415 - 70KB - JPEG

unison前胆后石unico+primo功放刚柔并济
400x297 - 19KB - JPEG

一款纯甲类胆石功放的制做
608x493 - 66KB - JPEG

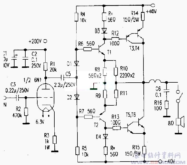
6N1胆石混合功放制作_家电维修资料网_www.
657x581 - 58KB - JPEG

基于双声道胆石的SEPP放大电路设计-电子管
1050x449 - 41KB - JPEG

至高TA-292C胆石混合后级功放电路图
600x283 - 63KB - GIF

新瓶装陈酒-再战胆石功放(2010年参赛作品)
935x430 - 60KB - JPEG

DIY更上一层楼,打造自己的前胆后石功放 - 音响
638x436 - 88KB - JPEG

30W-300W胆+0DB石后功放实验
800x511 - 154KB - JPEG

全直耦胆石混合对地放大电路
634x464 - 57KB - JPEG

四款前胆后石馄合功放选用不同功放管音色介绍
2840x1404 - 275KB - JPEG
![[求助]前胆后石功放坏了,哪位大侠帮帮忙? - 音](http://www.chinadz.com/data/attachment/forum/dvbbs/2005-11/200511581721651.jpg)
[求助]前胆后石功放坏了,哪位大侠帮帮忙? - 音
592x384 - 23KB - JPEG