(6P3P\TDA2822\MC-275\6N5P电子管)。6P3P单端A类电子管功放电路图。VT1、VT2直流通路串联。VT1构成普通的三极管共阴放大器,VTr2构成阴极输出器,对VT1而言. 201

电子管耳机放大电路
536x277 - 19KB - JPEG

威廉逊电子管放大器原理图
709x356 - 75KB - JPEG

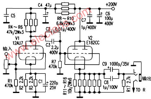
电子管前级电路图_电子管前级_电子管前级放
797x608 - 39KB - JPEG

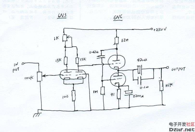
电子管6n1组成的OTL放大器电路
554x347 - 34KB - JPEG

6dj8电子管耳机放大器电路图
600x392 - 75KB - JPEG

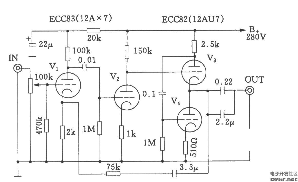
成品功放电路-威廉逊电子管放大器副本
717x445 - 153KB - GIF
电子管耳机放大器 - 图片专栏 - 装备工业信息网
700x551 - 44KB - JPEG

两款电子管OTL放大器电路原理图
489x335 - 44KB - JPEG

电子管功率放大器双耳式耳机放大器电路图
810x550 - 53KB - JPEG

威廉逊电子管放大器电路(成品功放电路)
640x397 - 64KB - JPEG

SRPP电子管前级放大器电路图-广电电器网-w
974x556 - 54KB - JPEG

6dj8电子管耳机放大器电路图
579x405 - 13KB - GIF

和田茂氏电子管前级放大器电路图_电子设计应
1161x709 - 73KB - JPEG

电子管OTL高保真功率放大器电路图
1079x819 - 201KB - JPEG

简单的电子管耳机放大器
501x330 - 51KB - JPEG