我在LED的芯片厂工作过总感觉LED芯片的加工工艺是跟手机、电脑的集成电路芯片晶圆是不一样的还有在央视看到做IGBT、晶体管的封装也感觉跟集成电路芯片晶圆一样生

LED彩灯控制集成电路\/LED驱动IC批发–LED
850x725 - 88KB - JPEG

LB140五位LED电平指示驱动集成电路
826x636 - 153KB - JPEG

led 集成电路驱动器tps61043
525x266 - 19KB - JPEG

MAX7219串行接口8位LED显示驱动集成电路与
1445x851 - 61KB - JPEG

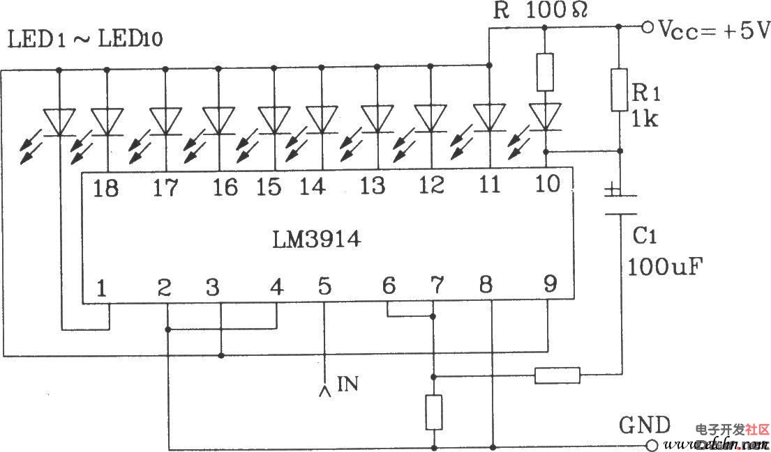
LED电路:LM3914系列点\/线图形LED显示驱动
1204x649 - 75KB - JPEG

led 集成电路驱动器tps61043
539x518 - 62KB - JPEG

led 集成电路驱动器tps61043
492x223 - 18KB - JPEG

基于LT3598多通道LED集成驱动应用电路的设
710x511 - 103KB - JPEG

【图】带5只闪烁LED的驱动蜂鸣器应用电路图
600x434 - 163KB - JPEG

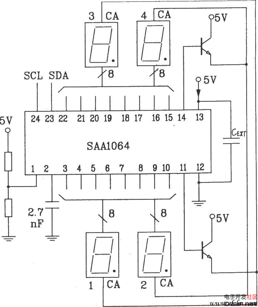
SAA1064串行I2C总线LED显示驱动集成电路动
825x980 - 84KB - JPEG

由MAX7219串行接口8位LED显示驱动集成电路
1445x851 - 315KB - JPEG

LED电路:BA6104五位LED电平表驱动集成电路
797x632 - 47KB - JPEG

led彩灯控制集成电路(0215)价格
400x280 - 5KB - JPEG

LM3914系列点\/线图形LED显示驱动集成电路构
1105x649 - 74KB - JPEG

五位LED电平指示驱动集成电路典型电路 - 灯光
464x331 - 22KB - JPEG