用TA2111F组装调频收音机是很简单的。那么,用TA2111F组装的收音机性能如何呢?笔者手头有一台用TA8127N自制的调频立体声收音机,与用TA2111F组装的收音机相比,后者

自制调频收音机 关键在高频电路
600x400 - 81KB - JPEG

自制调频收音机 关键在高频电路
600x400 - 73KB - JPEG

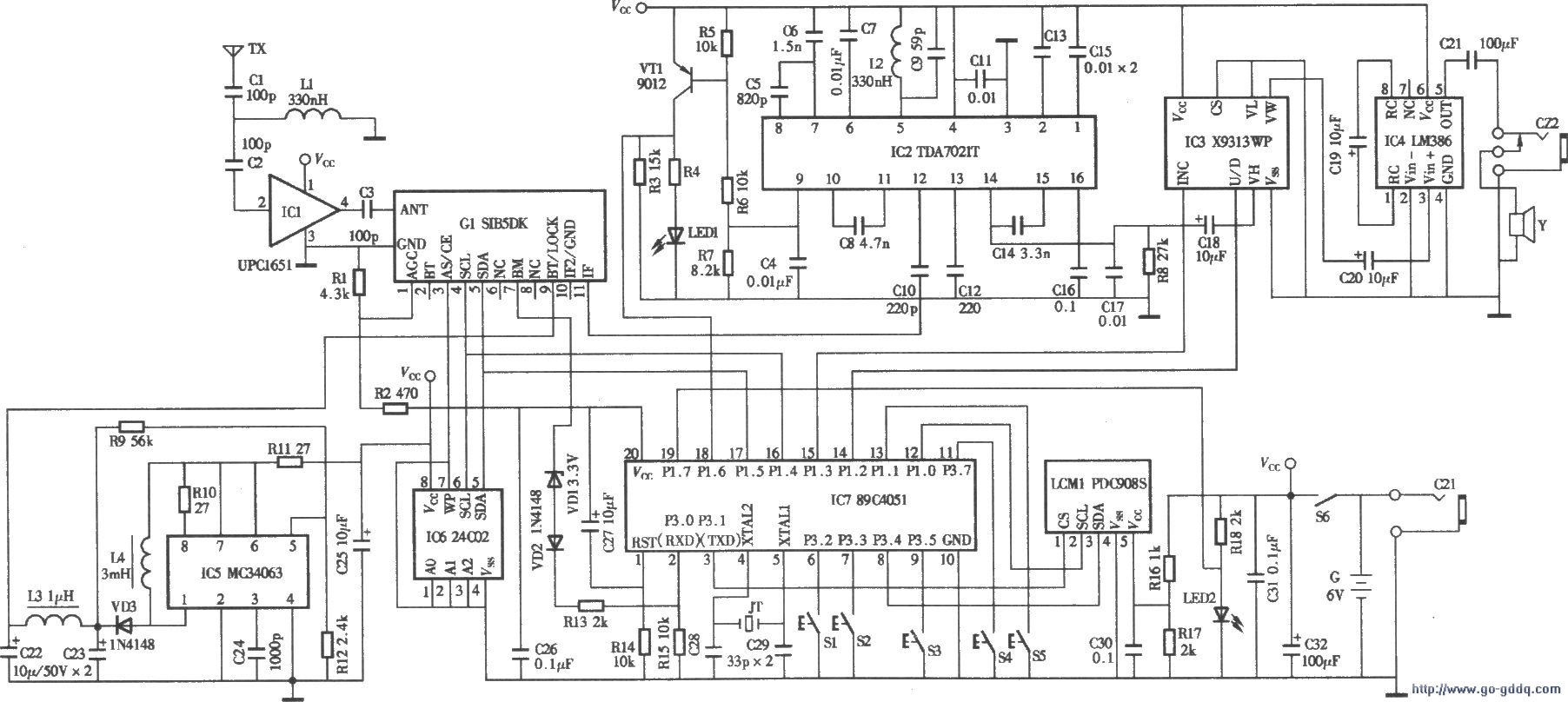
自制手持式频率合成数字调谐式调频收音机电路
1804x808 - 216KB - JPEG

自制手持式频率合成数字调谐式调频收音机电路
1063x472 - 241KB - JPEG

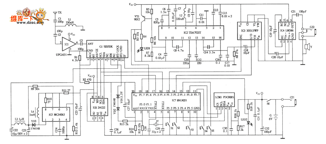
自制手持式频率合成数字调谐式调频收音机电路
1063x472 - 133KB - GIF

自制手持式频率合成数字调谐式调频收音机电路
1804x808 - 216KB - JPEG

图】自制简易无线调频话筒的电路图无线接收电
369x405 - 118KB - JPEG

【图】电调谐调频收音机电路图电子管功放 电
789x400 - 187KB - GIF

收音机电路图_电子设计应用_电子设计产品方
507x243 - 22KB - JPEG

一种电子管收音机简易接受调频广播电台的电路
1024x680 - 168KB - JPEG

自制优质袖珍FM调频立体声收音机电路图_电路
651x410 - 67KB - JPEG

自制手持式频率合成数字调谐式调频收音机电路
1804x808 - 204KB - JPEG

自制手持式频率合成数字调谐式调频收音机电路
1063x472 - 135KB - GIF

调频收音机电路图- 信号处理电子电路图
594x214 - 24KB - JPEG

调频立体声收音机电路原理,维修和自制
450x600 - 46KB - JPEG