求一个光控开关12v电路图电位器+光敏电阻+lm339+9013+继电器最好元件名称用中文全写! 0 有同感 邀请回答收藏 站外分享 浏览次数:211 扫一扫 用手机阿里扫一扫 最满意答

集成电路(IC)-12V 光控开关 光敏电阻加继电器
310x226 - 32KB - JPEG

采用光敏电阻(LDR)晶体管的光控开关电路-电子
992x440 - 12KB - GIF

【图】简易的光控开关光敏电阻 电路图 维库电
308x385 - 27KB - GIF

光敏电阻式光控开关电路图-开关电路-控制电路
589x328 - 23KB - JPEG

带开关电路的光控灯-常用电子制作-文章中心
339x247 - 10KB - GIF

简易光敏开关电路图|光电(
520x305 - 29KB - JPEG

集成电路(IC)-12V稳定版光控开关 光敏电阻加继
744x553 - 97KB - JPEG

光敏电阻-晶闸管光控开关电路图
513x315 - 40KB - JPEG

光敏电阻双敏光控开关电路图
513x343 - 79KB - JPEG

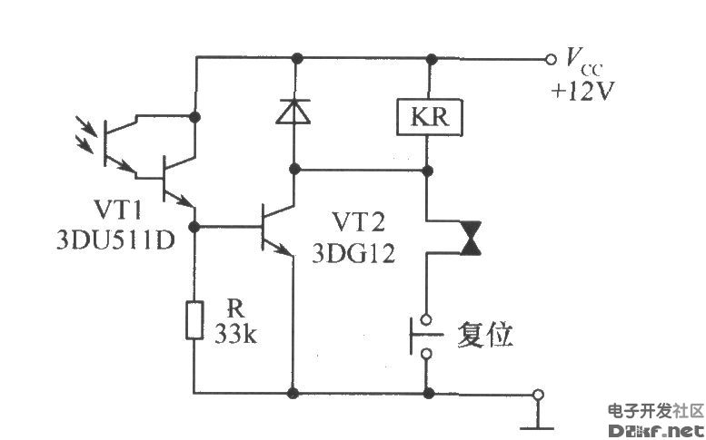
光敏三极管组成的带自锁功能的光控继电器开关
777x485 - 26KB - JPEG

光敏电阻及亮通开关电路图
514x408 - 85KB - JPEG

【图】声控光敏延时开关电路图报警控制
600x283 - 32KB - GIF

光敏电阻式光控开关典型应用电路图
390x227 - 19KB - JPEG

图】简易的光控开关电路图光敏电阻电路图维库
300x375 - 34KB - GIF

光控开关电路原理图_电路图_光敏电阻
669x260 - 33KB - GIF