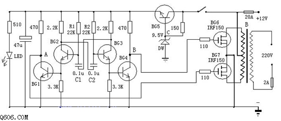
晶体管逆变器电路图简单实用低成本在偏远的地区经常会出现停电的现象有些大学到一定时候也会关灯那些喜爱开夜班的同学们就苦恼了。不过这没关系有了它你就可以解决

简易晶体管OCL功放电路图
596x316 - 22KB - JPEG

【图】简单的晶体管OCL功放电路制作音频电
850x516 - 170KB - JPEG

简单的晶体管测试仪电路图-电子电路图,电子技
532x640 - 103KB - JPEG

【图】用8550和8050制作的简单晶体管小功放
380x252 - 13KB - JPEG

简易晶体管耐压测试器电路图
435x547 - 100KB - JPEG

简易晶体管OCL功放电路图
596x316 - 48KB - JPEG

【图】简单的单场效应晶体管振荡器电路图高频
419x292 - 7KB - GIF

图】最简单的50W晶体管功放电路制作音频电
630x383 - 124KB - JPEG

晶体管小功放电路图
380x252 - 3KB - GIF

大功率开关-晶体管的重要任务电路图
496x362 - 4KB - GIF

简单易制的晶体管逆变器电路图_电路图之家
532x221 - 29KB - JPEG

简单的晶体管逆变器电路图
560x241 - 68KB - JPEG

【图】由晶体管构成的简易稳压电源电路图电源
800x435 - 53KB - GIF

简易晶体管OCL功放电路图-AET-电子技术应用
409x311 - 68KB - PNG

上传一些简单的功放电路图 - 〓晶体管与集成〓
500x351 - 34KB - JPEG