铁路客车集中轴温报警器运用中常见故障的判断及处理措施 维普网|暂无评价|0|0|暂无简介 维普网中国最大最早的专业内容网站|总评分0.0|文档量0|浏览量0 试读已结束,如果需

KZS\/M-II型集中轴温报警器
410x308 - 28KB - JPEG

文章- 轴温报警器硬件系统及作用
2145x1009 - 200KB - JPEG

文章- 轴温报警器常见故障现象分析和处理改进
1151x698 - 101KB - JPEG

轴温探测报警器
600x490 - 250KB - JPEG

文章- KZS\/M-Ⅱ型集中式轴温报警器使用说明
2233x2377 - 364KB - JPEG

【KZS-M-I型集中轴温报警器 搞干扰强】
410x308 - 30KB - JPEG

文章- 轴温报警器常见故障现象分析和处理改进
1149x989 - 172KB - JPEG

【 KZS\/M-II型集中轴温报警器 灵敏度高】
410x308 - 32KB - JPEG

文章- 轴温报警器硬件系统及作用
433x279 - 44KB - PNG

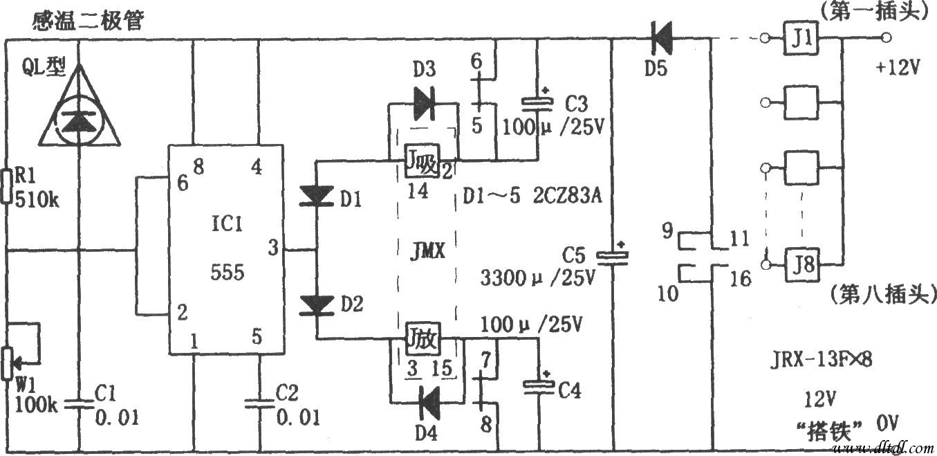
555构成的轴温报警器
1355x659 - 120KB - JPEG

机车温度传感仪表配件
1024x768 - 1456KB - PNG

文章- 轴温报警器硬件系统及作用
377x292 - 33KB - PNG

【KZS\/M-I型集中轴温报警器2014末最低价】
280x210 - 9KB - JPEG

【KZS\/M-I型集中轴温报警器风靡全球】
410x308 - 34KB - JPEG

【图】轴温报警器电路图报警控制 电路图 维库
652x369 - 60KB - GIF