PLC基础知识问答 PLC基础知识问答 利用PLC实现对电镀专用行车的自动控制 电动机自动往返PLC控制梯形图举例(限位、正反转应用)

PLC控制柜
400x400 - 164KB - JPEG
【PLC控制柜】-天津黄页88网
294x310 - 10KB - JPEG

plc控制柜批发+-+中国制造网太阳能设备
1010x671 - 188KB - JPEG

环保设备PLC控制柜
1210x794 - 111KB - JPEG

食品类冷库PLC控制软件
1059x651 - 112KB - JPEG

上海竞菲电气工程有限公司 产品列表 联系人付
1181x1103 - 438KB - JPEG

plc控制原理-基础知识-电子元件技术网电子百科
998x662 - 59KB - JPEG

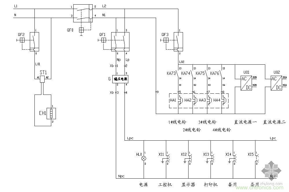
plc控制柜电气图
960x540 - 141KB - JPEG

PLC控制系统在石材机械中的应用
417x393 - 45KB - JPEG

plc控制柜高清大图-一步电子网
653x490 - 67KB - JPEG

PLC成套控制柜-【效果图,产品图,型号图,工程
353x453 - 36KB - JPEG

河北立洁供应PLC控制柜
1600x1200 - 93KB - JPEG

【哈尔滨西门子PLC编程控制柜】-黑龙江黄页
521x345 - 34KB - JPEG

镇江扬州宿迁防洪闸门plc控制柜厂家代工企业
650x540 - 180KB - JPEG

【plc控制柜价格_plc控制柜厂家】
559x418 - 33KB - JPEG