是机器人设计的吗? CPU设计的流程:随着工艺的发展,半导体芯片的集成化程度越来越高,设计的系统越来越复杂,规模越来越大,性能的需求越来越高,功耗也越来越大,给芯片

cpu电路
464x445 - 148KB - JPEG

915\/945主板的CPU供电电路图
761x671 - 105KB - JPEG

转帖分享 CPU的那些事(带CPU电路图)|创意D
500x351 - 56KB - JPEG

cpu电路板图片_cpu电路板设计素材(图片ID:68
1000x636 - 100KB - JPEG

上海专业维修CPU电路板
571x428 - 75KB - JPEG

【图】夏新a8的电源及cpu电路原理图设计通信
1684x1189 - 358KB - JPEG

主板CPU的PWM供电电路图
640x607 - 70KB - JPEG

CPU电路板科技背景大图 - 素材公社 tooopen.c
1024x724 - 195KB - JPEG

915\/945主板的CPU供电电路图
761x671 - 188KB - JPEG

RS780G主板CPU风扇控制电路图_主板
600x342 - 24KB - JPEG

典型计算机主板CPU供电电路 - 开关电源 - 21I
1728x964 - 95KB - GIF

主板cpu的pwm供电电路图
640x607 - 63KB - JPEG

纽曼MP3机(Q100)的CPU和解码器电路原理图
1142x1184 - 144KB - GIF

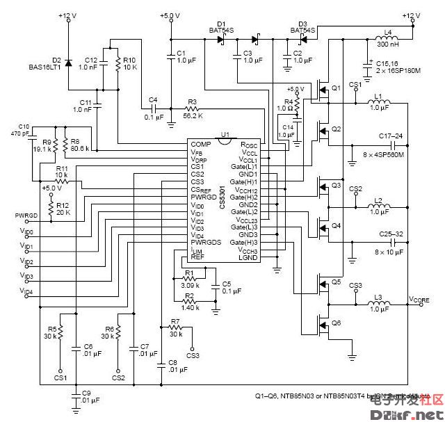
多相位PWM控制器的CPU供电电源电路图
621x479 - 75KB - JPEG

构建晶体管之间连接电路 - 沙子做的CPU凭什么
700x400 - 34KB - JPEG