在当今的集成电路制造中扮演着重要作用。多晶硅因其淀积工艺简单、与 IC制造工艺高度兼容等优点,在集成电路的制造工艺中得到了广泛的应用,但因其特殊的微观结构,而呈现

【图】HT6337A集成电路典型应用电路图遥控
600x736 - 72KB - GIF

集成电路构成的信号产生:TDA8177F 集成块的
850x595 - 74KB - GIF

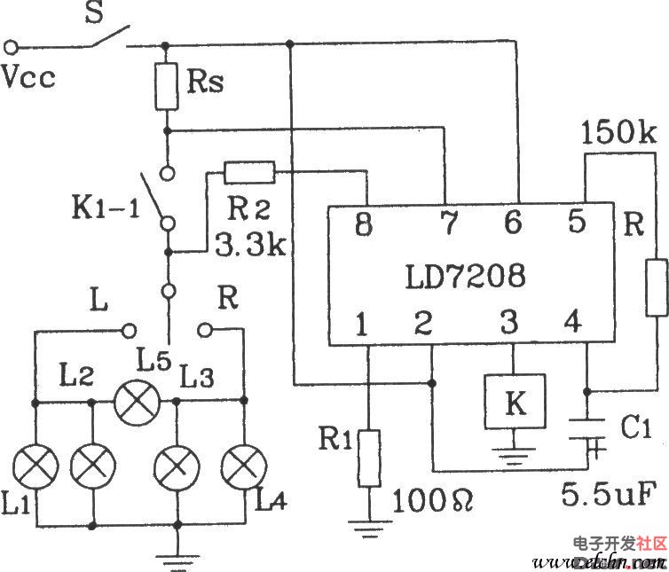
LD7208汽车转弯报警专用集成电路典型应用电
754x645 - 60KB - JPEG

IC_集成电路_芯片_产业研报:中国集成电路市场
430x212 - 20KB - JPEG

集成电路典型应用电路图
900x735 - 365KB - JPEG

tl494基础入门:在集成电路中的应用
502x260 - 15KB - GIF

常用数字集成电路应用280例_网上买书_收藏品
600x815 - 75KB - JPEG

汽车集成电路及其应用 书籍 商城 正版 文轩网
310x310 - 14KB - JPEG

KD-48音乐报时集成电路的应用电路图
473x412 - 74KB - JPEG
![PCB网城[PCBcity.com.cn]- 中国集成电路市场](http://www.pcbcity.com.cn/PcbInfo/Articles/2015-5/images/2015051810112858008.jpg)
PCB网城[PCBcity.com.cn]- 中国集成电路市场
543x536 - 34KB - JPEG

【图】集成电路典型应用电路图开关电路 电路
900x840 - 135KB - GIF

5G168节日彩灯控制集成电路典型应用电路
1455x681 - 101KB - JPEG

KD-48音乐报时集成电路的应用电路图
473x412 - 59KB - JPEG

【图】lm1876集成电路的典型应用电路图微机
650x384 - 53KB - GIF

LA7830集成电路的典型应用电路
600x427 - 40KB - GIF