电路图,原理图,IC资料,技术文章,免费下载等资料,是广大电子工程师所喜爱电子资料网站 概述: CG8010是应用于开关电源方面的有完整保护功能的PWM(脉宽调制)控制电路,主

MAXIM芯片应用电路图
575x396 - 62KB - JPEG

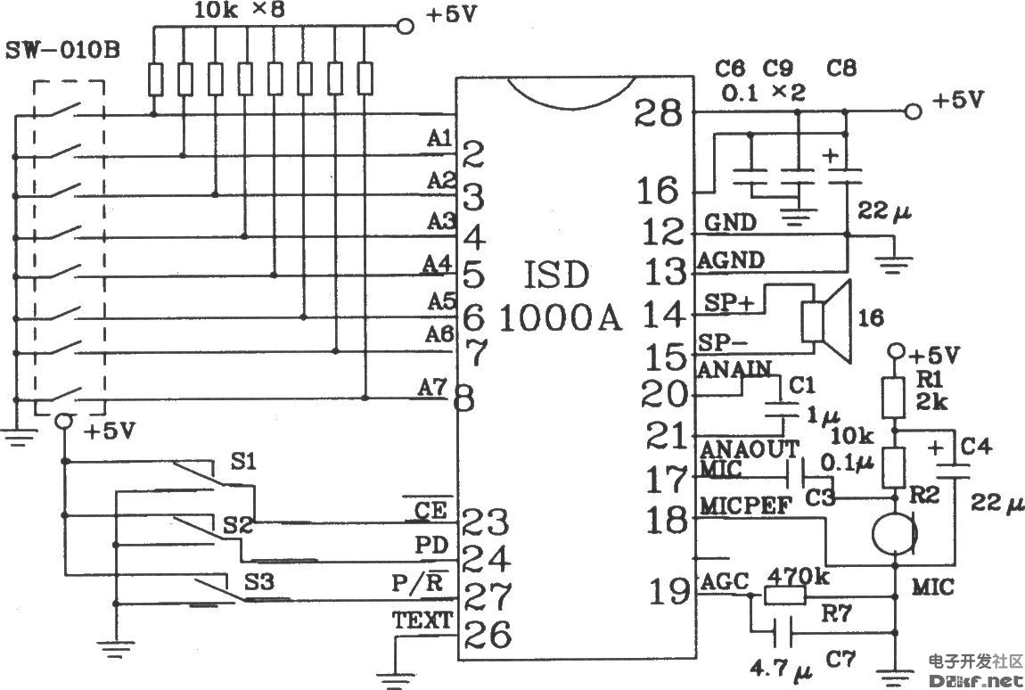
ISD1000A系列语音芯片的应用电路图
1150x774 - 121KB - JPEG

语音录放电路ISD系列芯片应用电路图_电路图
947x708 - 95KB - JPEG

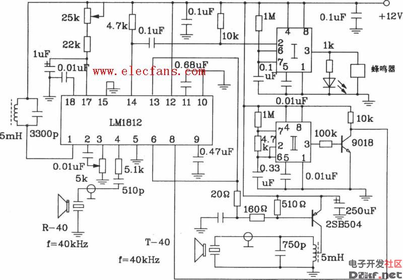
超声波芯片lm1812应用电路
800x556 - 68KB - JPEG

F007集成运放芯片的应用电路图
921x729 - 64KB - JPEG

LM2596调压芯片应用电路图
600x287 - 22KB - JPEG

功放芯片lm1875应用电路图
385x609 - 37KB - JPEG

语音合成芯片VP-1000应用电路图
1592x960 - 174KB - JPEG

调光专用芯片HT7713性能及应用电路图
496x275 - 44KB - JPEG

语音电路:语音合成芯片HY-20A应用电路图
1175x786 - 78KB - JPEG
【图】UC3842典型应用电路及芯片说明电源电
762x360 - 124KB - JPEG

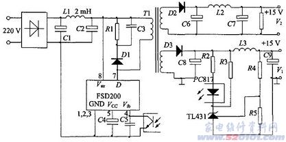
电源芯片FSD200芯片参数和电路应用_家电维
417x208 - 20KB - JPEG

EG8010引脚图,管脚功能与电路图 SPWM芯片
846x420 - 118KB - PNG

语音合成芯片KS5917应用电路图
1485x752 - 147KB - JPEG

MP3芯片ATJ2085应用电路图
2769x1994 - 2106KB - JPEG