液晶显示器电源板原理 液晶显示器的电源电路一般采用开关电路方式,此电源电路将交流220V输入电压经过整流滤波电路变成直流电压,再由开关管斩波和高频变压器降压,得到

关于液晶显示器电源板的原理图分享 _ 路由器
1296x586 - 98KB - JPEG

最新液晶显示器电源板原理图
1296x586 - 56KB - JPEG

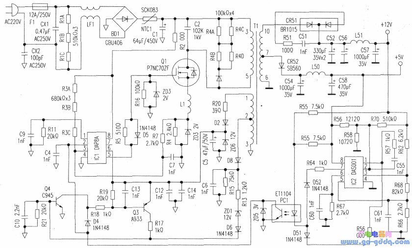
戴尔1800fp液晶显示器开关电源电路原理图-广
889x504 - 98KB - JPEG

液晶显示器电源板+-+搜搜百科
500x340 - 27KB - JPEG

明基q7t3液晶显示器电源原理图
1567x799 - 255KB - JPEG

海尔液晶显示器ht-17606a原理图
338x256 - 15KB - JPEG

明基q7c3型液晶显示器电源电路原理图-广电电
966x630 - 119KB - JPEG

戴尔1800FP液晶显示器开关电源电路原理图 -
647x374 - 55KB - JPEG

明基Q7C3型液晶显示器电源电路工作原理分析
544x349 - 40KB - JPEG

清华同方电源板_清华紫光显示器电源_清华同
800x571 - 55KB - JPEG

三星711N液晶显示器电源电路原理分析
800x531 - 67KB - JPEG

宏基AL1706A液晶显示器电源原理与屏闪故障
2473x1374 - 390KB - JPEG

液晶电源板 液晶显示器电源板
750x562 - 87KB - JPEG
液晶显示器结构原理与维修-电子电路图
389x294 - 39KB - JPEG

清华同方LB501KEL型液晶显示器电源电路工作
840x507 - 96KB - JPEG