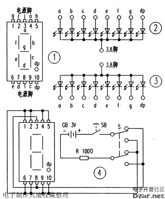
要想正确地判断半导体数码管的好坏,必须了解其结构及工作原理。按数码管内二极管连接方式的不同,可以分为共阴极和共阳极两种结构形式。这种半导体数码管是由7个发光

LED数码管检测装置
550x662 - 57KB - JPEG

二极管的符号、判别、参数和分类-其他基础电
540x201 - 32KB - JPEG

二、LED显示器结构及分类_半导体发光器件-广
285x226 - 5KB - GIF

轻松学PIC之数码管
512x214 - 22KB - JPEG

二极管的符号、判别、参数和分类
540x201 - 96KB - JPEG

半导体发显示与照明.ppt
141x200 - 4KB - JPEG

基于单片机的数字温度计的设计及显示
360x434 - 80KB - JPEG

LED发光二极管(doc7).doc免费全文阅读
993x1404 - 144KB - PNG

电工电子技术及应用第十二章 集成逻辑门电路
1152x864 - 194KB - PNG
![[发光二极管参数]LED发光二极管参数、特点、](http://oss.p.t262.com/cpic/4b/78/f4c6c10ec8705bceedf4b3e1eac4784b.jpg)
[发光二极管参数]LED发光二极管参数、特点、
215x142 - 6KB - JPEG
![[发光二极管参数]LED发光二极管参数、特点、](http://img.lookmw.cn/yuedu/170613/447303_5.jpg)
[发光二极管参数]LED发光二极管参数、特点、
213x140 - 6KB - JPEG
数码管,符号管
257x248 - 15KB - JPEG

供应led米字符号数码管
214x299 - 16KB - JPEG

润光室外led米字符号数码管_润光室外led米字
166x240 - 9KB - JPEG

符号数码管_符号数码管批发_符号数码管供应
220x220 - 21KB - JPEG