从定子绕组的结构上看,单相电机有启动绕组,与主绕组配合形成旋转磁场,启动后断开启动绕组或参与运行。需要正反运转的单相电机(如洗衣机电机)

我试卷上有三相异步电动机的工作原理是什么?
500x354 - 23KB - JPEG
请问永磁无刷直流电机的工作原理是什么?
933x396 - 68KB - JPEG

电动车电机内霍尔工作原理图是什么?
500x241 - 12KB - JPEG

电机扩大机原理
640x480 - 156KB - JPEG

伺服电机工作原理_什么是伺服电机_伺服电机
623x336 - 45KB - JPEG

直流电动机工作原理图-+电子发烧友网
516x395 - 41KB - JPEG

伺服电机工作原理图-伺服电机工作原理图最新
395x367 - 27KB - JPEG

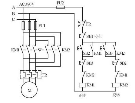
电气双重联锁的应用下
446x341 - 19KB - JPEG

电动机的工作原理 各种电动机原理都有介绍
600x441 - 80KB - JPEG

汽车马达工作原理-汽车马达工作原理最新资讯
500x367 - 29KB - JPEG

直流电动机工作原理是什么?
375x200 - 16KB - JPEG

伺服电机工作原理
647x348 - 35KB - JPEG

电动自行车电机工作原理
416x232 - 21KB - JPEG

直流电动机工作原理;+直流电机
500x375 - 19KB - JPEG

直流电机工作原理图?
317x237 - 13KB - JPEG