LTC®4100智能电池充电器是一款单芯片充电解决方案,它极大地简化了 SBS兼容型系统的结构。LTC4100实现了一种 Level 2充电器功能,凭借此功能即可利用电池或主机来设

集成电路(IC)-代理 LINEAR 进口 LTC4100EG#
400x400 - 65KB - JPEG

ltc6900_ltc4100eg_ltc6915_ ltc6906 - 下午,发现
311x262 - 19KB - JPEG

LTC4100 4 节锂离子智能电池充电器 (在 4A)-凌
650x610 - 76KB - JPEG

LTC4100EG (LINER) PDF技术资料下载 LTC4
850x1100 - 28KB - PNG

LTC4100EG LTC4100EG供应 求购LTC4100E
400x301 - 32KB - JPEG

LTC4100EG现货库存、热门库存,LTC4100EG
640x640 - 95KB - JPEG

LTC4100EG#PBF 【LTNEAR】【SSOP-24】
340x400 - 47KB - JPEG

IC LTC4100EG
500x363 - 53KB - JPEG

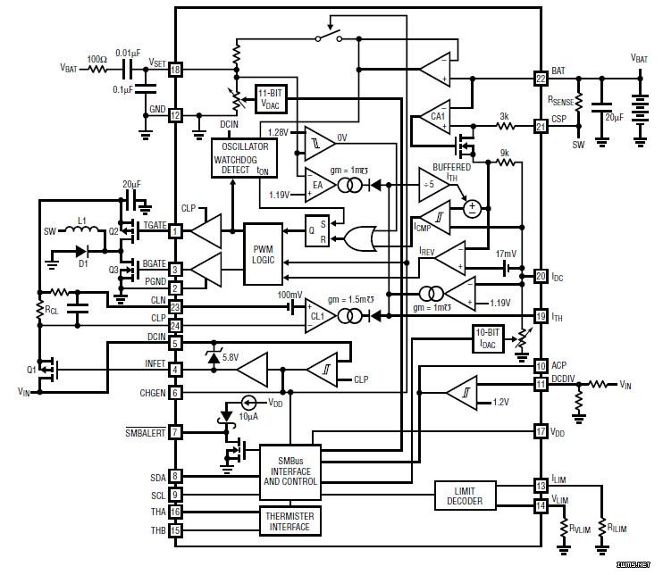
LTC4100_电子设计应用_电子设计产品方案
742x644 - 91KB - JPEG

集成电路(IC)-LTC4100EG LINEAR(专营凌特全
738x984 - 412KB - JPEG

ltc4100eg_海信hs-eg978手机壳_eg7xcgw6-na
800x800 - 81KB - JPEG

【336129 原装正品 LTC4100EG#PBF IC SMA
210x210 - 10KB - JPEG

ltc4100eg_海信hs-eg978手机壳_eg7xcgw6-na
600x600 - 287KB - JPEG

【LTC4100 LTC4100EG#PBF,保证货源真实,价
181x210 - 5KB - JPEG

供应LTC4100EG,PMIC LTC4100EG,电池管理
272x250 - 8KB - JPEG