年全球并购交易总额达4.7万亿美元,其中跨国并购交易规模达1.7万亿美元。主要引擎来自发达国家,欧洲、美国并购额超过全球总量的 50%; 三联盛信息NEWS STORE+more 新
S9014-深圳市三联盛半导体有限公司
365x274 - 30KB - JPEG

C1815-深圳市三联盛半导体有限公司
300x300 - 8KB - JPEG

【【三联盛SLS贴片三极管】SLS431 SOT-23
1920x1078 - 275KB - JPEG
深圳市三联盛半导体有限公司
300x300 - 8KB - JPEG

深圳市三联盛半导体有限公司价格信息 - 007商
310x306 - 37KB - JPEG

【【腾跃电子供应】 SS8050 国产 三联盛 SO
279x210 - 7KB - JPEG

【【三联盛SLS贴片三极管】2N7002K 72K 场
723x1024 - 112KB - JPEG

深圳市三联盛半导体有限公司 最新信息
210x210 - 7KB - JPEG

深圳市三联盛半导体有限公司 最新信息
196x210 - 14KB - JPEG

【【三联盛SLS贴片三极管】BC848A 1J SOT
828x1171 - 225KB - JPEG

【三联盛SLS贴片三极管 SLS431 SOT-23 精密
1307x1846 - 241KB - JPEG

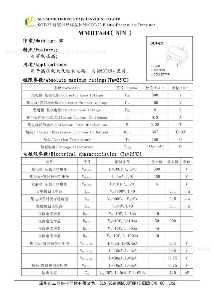
【【三联盛SLS贴片三极管】MMBTA44 高压放
723x1024 - 113KB - JPEG

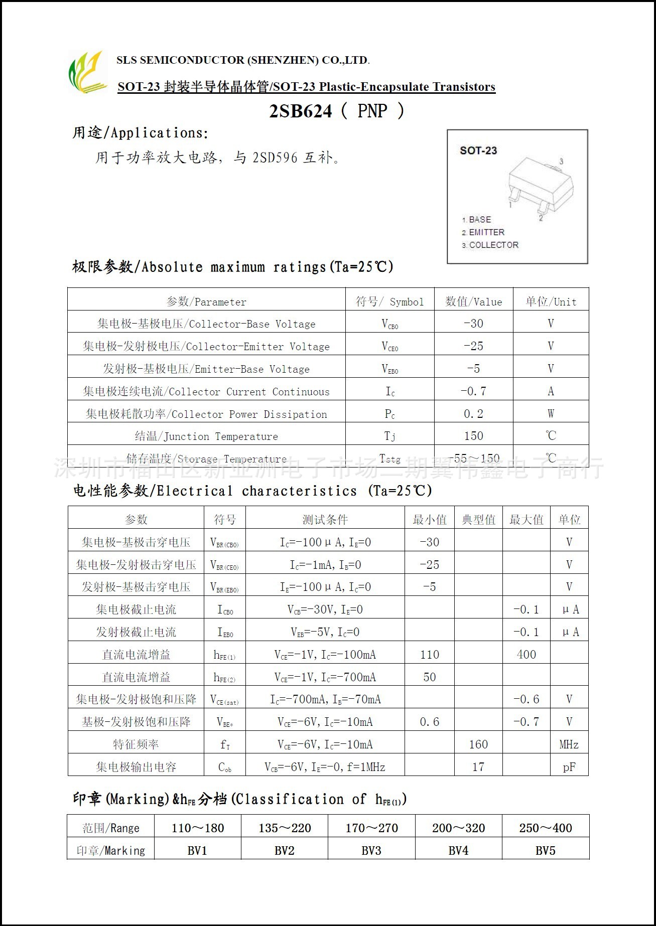
【三联盛SLS贴片三极管 2SB624 功率放大电
1307x1846 - 380KB - JPEG

深圳市三联盛半导体有限公司
303x255 - 21KB - JPEG

深圳市三联盛半导体有限公司|深圳市三联盛半
310x234 - 13KB - JPEG