液晶屏一亮即灭检修方法液晶屏一亮即灭指的是:电视机操作控制正常,有伴音,屏幕上有 在待机状态将万用表黑笔接地,红笔接背光板2 4 V (或1 2 V )处,遥控开机,看一下开机瞬

【图】万用表检修液晶彩电方法 - 用万用表修液
159x225 - 8KB - JPEG

用万用表检修液晶彩电维修宝典从书网盘资料下
819x460 - 248KB - PNG

用万用表检修液晶彩电维修宝典从书网盘资料下
819x594 - 328KB - PNG

用万用表检修液晶彩电维修宝典从书网盘资料下
819x501 - 260KB - PNG

用万用表检修液晶彩电维修宝典从书网盘资料下
819x460 - 80KB - PNG

用万用表检修液晶彩电维修宝典从书网盘资料下
819x460 - 120KB - PNG

用万用表检修液晶彩电维修宝典从书网盘资料下
819x460 - 254KB - PNG

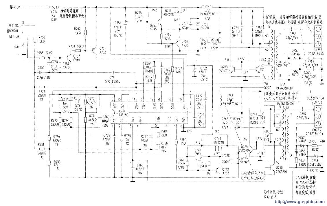
明基液晶显示器检修技巧
1130x712 - 161KB - JPEG

新编万用表检修电视机入门 畅销书籍 正版 家电
856x856 - 56KB - JPEG

新编万用表检修电视机入门 畅销书籍 正版 家电
600x863 - 59KB - JPEG

用万用表检修液晶电视机一学就会怎么样 好不
400x400 - 44KB - JPEG

用万用表检修液晶电视机一学就会怎么样 好不
400x400 - 44KB - JPEG

康佳LED40F2200NE型液晶彩电灰屏故障检修
785x805 - 1218KB - PNG

iPhone5s手机更换液晶屏后不断地重启检修
900x577 - 72KB - JPEG

海信TLM32E58液晶彩电背光驱动电路故障检修
3760x2660 - 883KB - JPEG