仪表技术与传感器Instnnncnt Technique Sensor20D7 No.5电化学气敏传感器的原理及其应用 (1.西安交通大学自动控制研究所,陕西西安710049;2.西安交通大学机械制造系统国

烟雾探测器(QM-NG1型广谱气敏传感器应用) -
554x413 - 20KB - PNG
【气敏传感器的应用】报价_参数_图片_评测_
640x480 - 54KB - JPEG

气敏传感器的应用电路
706x525 - 101KB - JPEG

三色指示灯半导体气敏传感器家用复合\/可燃气
310x246 - 40KB - JPEG
【图】QM--N5型半导体气敏传感器单电源应用
375x341 - 58KB - JPEG

搜博SZ5090 ZIGBEE无线终端
700x623 - 48KB - JPEG

气敏
539x350 - 44KB - JPEG

烟雾探测器(QM-NG1型广谱气敏传感器应用) -
637x338 - 26KB - PNG

气敏传感器的应用电路 - 传感控制
306x227 - 13KB - JPEG

气敏传感器的应用电路(推荐)
306x227 - 48KB - JPEG

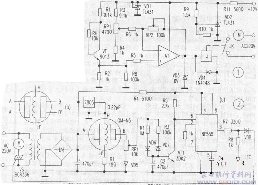
湿敏传感器和气敏传感器的应用_家电维修资料
839x604 - 85KB - JPEG

气敏传感器应用套件 高中通用技术实验室仪器
320x240 - 15KB - JPEG

气敏传感器 - 概述,工作原理,半导体,分类 - 金山
600x427 - 33KB - JPEG

气敏传感器应用套件 通用技术实验室 金魔方科
310x248 - 25KB - JPEG
基于气敏传感器阵列的牛肉新鲜度识别方法研究
590x220 - 26KB - JPEG