问答题简答题设计并画出一个4×4小键盘及接口电路,用文字叙述方式说明键盘及接口的工作原理及行扫描法识别键按下的工作过程。(规定用一片8255A作接口电路,其它元器件

矩阵键盘电路-+数字电路图-+电子发烧友网
943x465 - 63KB - JPEG

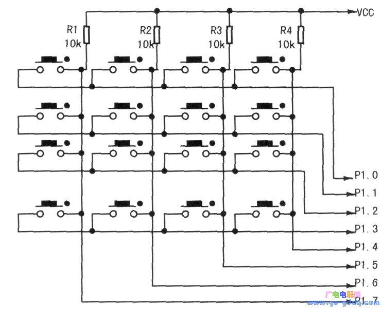
矩阵键盘电路原理图
742x602 - 62KB - JPEG

按键控制电路提供了4个独立按键
800x515 - 67KB - JPEG

雷柏v5机械键盘电路板
500x333 - 54KB - JPEG

键盘电路
500x337 - 72KB - JPEG

4x4键盘识别电路
363x235 - 19KB - JPEG

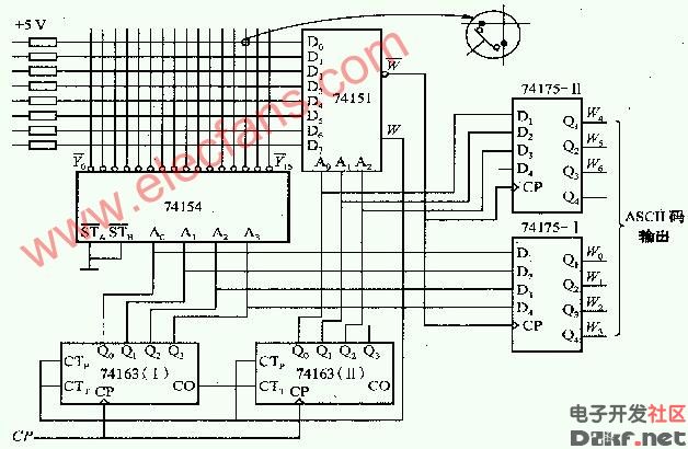
128键的键盘扫描电路
628x410 - 61KB - JPEG

与传统的键盘显示器件8279相比
902x525 - 276KB - JPEG

图】16进制输入键盘电路图数字电路电路图维
1050x832 - 349KB - JPEG

键盘PCB 键盘电路板维护 捷多邦键盘线路板的
485x209 - 32KB - JPEG

无线键盘接收电路图
1524x965 - 286KB - JPEG

矩阵连接式键盘电路
595x348 - 49KB - JPEG

KC2189键盘操作说明-电子电路图,电子技术资
365x202 - 17KB - JPEG

数据录入键盘
987x547 - 104KB - JPEG

I2C总线键盘电路以及驱动程序设计
942x735 - 296KB - JPEG