搜好货网(www.912688.com)您提供各种单片机液晶显示屏的供求信息价格,单片机液晶显示屏资讯,单片机液晶显示屏图片,单片机液晶显示屏厂家等,查找更多的单片机液晶显示

12864液晶\/单片机开发板12864点阵液晶显示屏
310x217 - 11KB - JPEG

【图】单片机与液晶显示器LM016接口电路图
600x600 - 254KB - JPEG

单片机液晶显示屏_单片机驱动液晶_单片机lcd
600x600 - 53KB - JPEG

单片机液晶显示屏_单片机lcd1602_单片机学习
885x517 - 89KB - JPEG

液晶屏单片机_单片机液晶_单片机液晶显示屏
282x248 - 16KB - JPEG

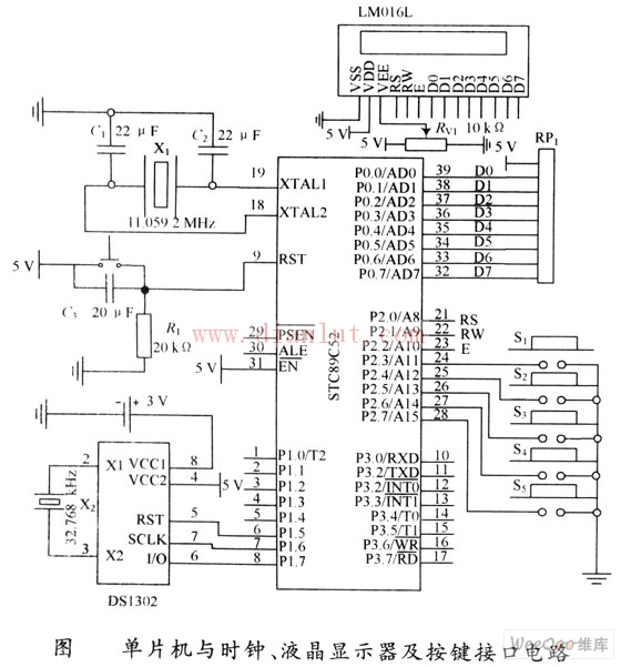
单片机与液晶显示器及按键接口电路_电子设计
560x601 - 148KB - JPEG

图形液晶显示器和单片机接口应用技术
517x316 - 26KB - JPEG

液晶屏单片机_单片机液晶_单片机液晶显示屏
800x475 - 60KB - JPEG

单片机液晶显示屏_单片机lcd1602_单片机学习
700x700 - 115KB - JPEG

51\/STC\/ATM\/PIC单片机驱动液晶显示屏LCD模
641x358 - 28KB - JPEG

12864点阵液晶 51单片机 带字库 带教程讲解 液
640x480 - 69KB - JPEG

3.5寸单片机驱动工业液晶显示器串口 液晶显示
1000x882 - 64KB - JPEG

三优合达3单片机串口驱动tft液晶显示屏030t0
832x546 - 67KB - JPEG

交易交换Usart GPU 串口液晶显示屏 单片机开
397x315 - 146KB - PNG

单片机液晶显示屏_单片机lcd1602_单片机学习
1000x750 - 81KB - JPEG