直流升压电路

直流升压电路相关图片

直流升压器电路图_直流升压器电路图画法
813x404 - 38KB - JPEG

一款可测量直流电流、直流电压、交流电流、电阻和音频电平的万用表9V升压电路图
429x174 - 31KB - JPEG

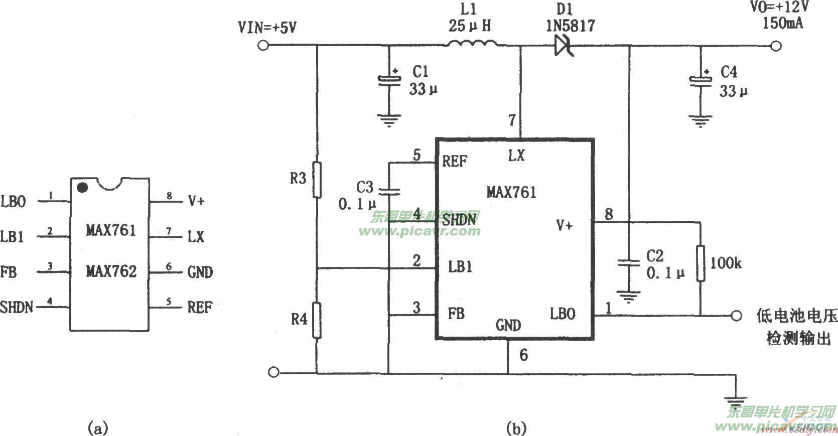
一种稳压型直流升压电路(可将1.5V的电池升压到
787x512 - 60KB - JPEG

【大功率电源升压IC2A大电流升压ICGS3662电源升压电路5A升压IC】-广东黄页88网
592x340 - 19KB - JPEG

555直流升压电路图_电路图_电子产品世界
576x350 - 46KB - JPEG

小型直流升压器电路图(可取代15v的叠层电池-1.5v升压到15v)_电路图-华强电子网
809x328 - 46KB - JPEG

适用于万用表的单节电池直流升压电路集_电路图_电子产品世界
500x204 - 53KB - JPEG

交流高压发生电路
900x356 - 43KB - JPEG

几种简单的直流升压电路_电路图_电子产品世界
500x204 - 17KB - JPEG

四款简单的12v升220v升压电路图及直流升压电路图讲解
429x301 - 29KB - JPEG

几款直流升压电路 - 电子发烧友网
500x283 - 20KB - JPEG

直流12V升压成交流220V可电鱼怎么做?_微博生活网
1670x869 - 105KB - JPEG

升压式dc-dc电源转换器lm2703\/lm2704 - 电源技术 - 技术资料==www.ic37.com
469x655 - 35.9KB - JPEG

直流二倍压升压电路图(CD4069\/LTC3786\/电容式倍压升压电路)-电子发烧友网
664x452 - 139KB - PNG

直流-直流升压变换电路图
423x220 - 20KB - JPEG

直流升压电路相关问答

直流升压电路
答:因此直流升压电路属于DC/DC电路的一种类型。 2,在使用电池供电的便携设备中,都是通过直流升压电路获得电路中所需要的高电压,这些设备包括:手机、传呼机等无线通讯设
MC34063 直流升压电路
答:MC34063是一单片双极型线性集成电路,专用于直流-直流变换器控制部分。片内包含有 特点:能在3.0-40V的输入电压下工作;输出开关电流可达1.5A。其用于升压使用时电路原
直流升压电路的原理
答:升压。小功率采用三极管与变压器自激振荡,大用率用集成块产生交流电信号,功率管放大交流再去推动变压器。低频逆变电路较简单,高频逆变线路复杂效率高。
直流电路升压问题
答:线性元器件无法实现升压,直流升压只能用开关电路(电荷泵器件或开关稳压器)。单片机的工作电流不会很大,你用电荷泵TPS60110(输入电压范围2.7V~5.4V,恒稳5V输出,最大输
12v变24v直流升压电路图
答: 我这是5v电源升至12v,你根据需要要调整电感,频率,及稳压管。见图
如何做一个直流升压电路1.5V到9V
答:你说的是干电池吧,貌似直流电无法靠电路增加电压,只能串联电源,但是电池都是有内阻的,6个干电池串联以后,用电器的电压达不到9V
直流3v→5v的升压电路原理是什么?
答:直流升压电路都是利用电感电流不能突变特性来工作,3V=>5V这样的电路通常都用BOOST升压结构电路。如下图:1,在电路中,Q开通后3V电压经过电感L 到三极管Q 形成电流
二倍直流电压升压电路图
答:这个过程中,VD2截止,Vo=0V,VT3、R2、VD3、VD1构成的稳压电路不工作。 ②当L中 L两端将产生一个反相感应电动势UL,其极性为左负右正,这个UL与1.5V直流串联后使得
求 直流升压电路原理图
答:我有的,加我QQ276120305,我发给你,我自己实验过的电路 能做到20V,5A
我想自制直流升压电路,能将12V直流电升压到5000V或者更高。
答:可参考电击枪、电警棍电路。

大家都在看

相关专题