一般直流逆变电焊机是为了满足焊接工艺过程的动特性和静特性的要求。首先要选择适当的焊接电源(建议直流输出400A)。然后就要设计一个可靠的电路结构。可采用IGBT作

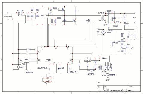
直流电焊机节能自动开关电路图
497x256 - 37KB - JPEG

【图】555直流马达电焊机节电装置电路555-节
1097x1280 - 152KB - PNG

手上强悍省力少汗 电焊机评测-电焊机,家用电
500x266 - 28KB - JPEG

直流电焊机节能自动开关电路图_电子设计应用
497x256 - 30KB - JPEG

【图】自制微型交流电焊机的介绍其它电路图
563x268 - 27KB - JPEG

逆变电焊机原理图的讲解_secret_word文档在线
1119x739 - 352KB - PNG

!这是逆变直流电焊机的电路图,我需要用来做毕
478x316 - 20KB - JPEG

急求可控硅直流电焊机原理图!
500x307 - 31KB - JPEG

如何把交流电焊机改直流电焊机_如何把交流电
583x354 - 147KB - PNG

三相直流电焊机的工作原理?谢谢!
500x351 - 26KB - JPEG

HOMSEMI MOSFET基于逆变焊机的应用与评测
562x390 - 40KB - JPEG

逆变电焊机配件_逆变直流电焊机_电焊机逆变
800x800 - 167KB - JPEG

电焊机用可控硅模块
800x471 - 33KB - JPEG

瑞凌款逆变直流电焊机配件直流电焊线路板ZX
310x233 - 24KB - JPEG

谁有直流焊机的原理图
466x266 - 15KB - JPEG