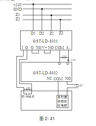
GST-LD-8301输入输出模块是海湾单输入单输出消防控制模块,本文海湾消防报警设备工程师将为大家讲解海湾8301消防控制模块的外形示意图、安装示意图以及接线示意图。

gst-ld-8301输入输出模块的接法
317x316 - 15KB - JPEG
GST-LD-8301输入输出模块 海湾8301输入输出
280x210 - 34KB - JPEG
消防模块接线方法和接线图
280x210 - 35KB - JPEG

供应gst-ld-8301+海湾(船用)输入输出模块
600x600 - 12KB - JPEG

海湾GST-LD-8301输入输出模块实物接线图_最
630x351 - 85KB - GIF

海湾GST-LD-8301输入输出模块实物接线图_最
630x351 - 68KB - GIF

海湾gst-ld-8301(船用)
310x310 - 7KB - JPEG
消防模块接线方法和接线图
280x210 - 35KB - JPEG

海湾GST-LD-8301输入输出模块实物接线图_最
630x350 - 44KB - GIF

海湾GST-LD-8301输入输出模块实物接线图_最
630x990 - 131KB - GIF

消防模块接线方法和接线图当宁消防网,专业消
328x314 - 14KB - JPEG

海湾GST-LD-8300输入模块
389x317 - 12KB - JPEG

信号处理模块外形示意图如图
726x407 - 72KB - JPEG

海湾8301模块怎么接线(电梯迫降)加继电器_消
1398x740 - 114KB - JPEG

gst-ld-8302切换模块
308x404 - 22KB - JPEG