北京汉晟普源科技有限公司(www.hspydy.com)是国内外专业的直流稳压电源,可调直流稳压电源,可调程控直流稳压电源,可编程直流稳压电源供应商,主营产品有:直流稳压电源,

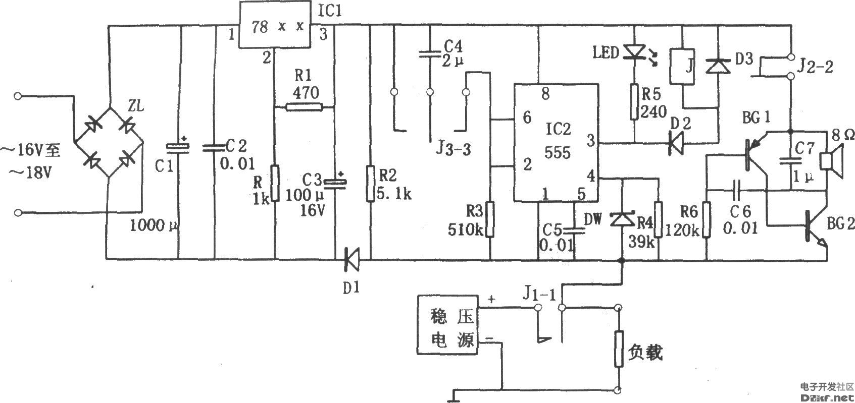
555构成的直流稳压电源保护装置_电路图-华强电子网
1693x799 - 123KB - JPEG

可调式直流稳压电源+问:为什么不能将220v的交流转换
1082x404 - 37KB - PNG

基于TL431的可调直流稳压电源【库IC网(QooIC)】
782x370 - 49KB - JPEG

可调直流稳压电源实验报告-学路网-学习路上 有我相伴
820x434 - 10KB - PNG

用W317M制作的直流稳压电源_金桥电子网-,家电维修资料网,彩电维修资料网,电路图纸,集成块资料,电子制作,电脑维修资料,电动车维修资料
574x377 - 42KB - JPEG

三端可调式直流稳压电源电路 - 开关电源 - 21IC中国电子网
663x307 - 8KB - GIF

【图】可调直流稳压电源电路图稳压电源
377x223 - 69KB - JPEG

可调直流稳压电源图片|可调直流稳压电源样板
412x332 - 17KB - JPEG

开关型可调直流稳压电源
400x262 - 12KB - JPEG

供应龙威可调直流稳压电源PS-305DM
868x768 - 47KB - JPEG

可调数显直流稳压电源 直流稳压电源数显可调
1000x950 - 96KB - JPEG

【图】具有过电流保护的直流可调稳压电源电路
730x386 - 206KB - JPEG

可调直流稳压电源+-+21ic电源网
738x603 - 71KB - JPEG

低压起始可调直流稳压电源电路-+稳压电源-+电
639x521 - 79KB - JPEG

供应万泰WT18V 60A可调 直流 稳压电源
604x453 - 54KB - JPEG