电路通断检测器工作原理 zbjzxy2010|2018-07-01 |举报 共享文档 共享文档是百度文库用户免费上传的可与其他用户免费共享的文档,具体共享方式由上传人自由设定。了解文档

【图】光敏电阻可组成桥式光电检测器电路图光
426x360 - 63KB - JPEG

比较器LM111组成的无二极管峰值检测器电路
541x245 - 15KB - JPEG

检测电路:光敏电阻组成桥式光电检测器电路图
392x346 - 52KB - JPEG

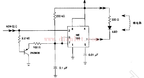
由555电路构成的脉冲差错检测器
555x300 - 23KB - JPEG

8FC3运放构成的环境噪声检测器电路图
616x475 - 81KB - JPEG

F007运放构成的温度检测器电路图_电子设计应
593x492 - 78KB - JPEG

F007运放组成的水分检测器电路图
615x403 - 71KB - JPEG

光敏电阻可组成桥式光电检测器电路图_光敏电
426x360 - 28KB - JPEG

光电检测器电路图
350x624 - 54KB - JPEG

NE555组成的行输出变压器短路检测器电路图
960x374 - 274KB - JPEG

F007运放组成的水分检测器电路图
615x403 - 138KB - JPEG

F007运放构成的温度检测器电路图
593x492 - 198KB - JPEG

F007运放组成的温度检测器电路图
593x492 - 192KB - JPEG

555与CD4017组成的网线通断检测器电路图_电
588x388 - 49KB - JPEG

由555电路构成的脉冲差错检测器 - 电路图纸 -
555x300 - 40KB - JPEG