列驱动pmos管的组合来驱动LED显示屏。随着市场需求的不断扩大,竞争越来越激烈,成本的考量占有突出的重要地位。现有技术中的单双色LED显示屏的驱动电路中,因为采用

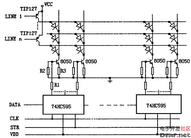
led显示屏驱动电路
661x477 - 47KB - JPEG

LED显示屏驱动IC 74HC595 - 天微 (中国 广东
896x443 - 267KB - JPEG

LED显示屏恒流驱动电路设计-电子电路图,电子
376x268 - 19KB - JPEG

节能型LED显示屏是真还是伪? -LED
500x305 - 27KB - JPEG

led显示屏动态1\/4扫恒流驱动电路图
512x359 - 49KB - JPEG

MC14511芯片设计7段LED显示器的驱动电路电
562x267 - 28KB - JPEG

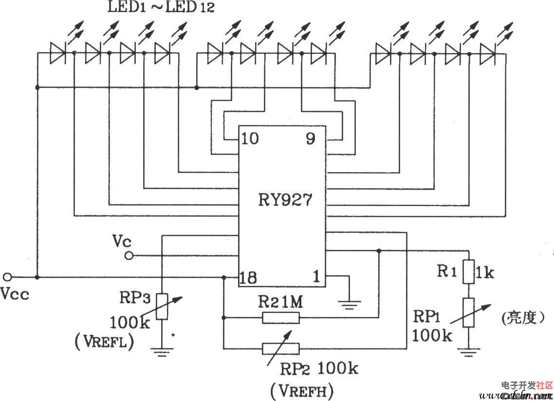
RY927多段LED驱动线性显示器典型应用电路|
1138x825 - 111KB - JPEG

led显示屏驱动电路
661x477 - 43KB - JPEG

基于MC14511芯片设计7段LED显示器的驱动电路
562x267 - 58KB - JPEG

显示屏驱动电路 - 详解点阵LED显示屏的原理与
561x422 - 92KB - JPEG

7段LED显示器的分时驱动电路图
327x399 - 31KB - JPEG

LED显示屏及其LED驱动芯片技术分析-电子电
450x257 - 22KB - JPEG

RY927多段LED驱动线性显示器典型应用电路图
1138x825 - 93KB - JPEG

7段LED显示器的分时驱动电路图-电子电路图,
327x399 - 39KB - JPEG

【图】定时器驱动LED显示器电路LED电路 电
500x634 - 46KB - JPEG