张力传感器张力传感器内部的应变片是电阻应变片。工作原理是:金属电阻应变片的工作原理是吸附在基体材料上应变电阻随机械形变而产生阻值变
前方多图预警,注意流量▼布料张力测量及控制原理▼直滑式电位器控制气缸活塞行程▼压阻式传感器测量液位的工作原理▼MQN型气敏电阻结构及
简介:张力传感器,英文:tension pick-up 美塞斯型号:MAGPOWR-400/8301898/MC01 ,张力传感器是张力控制过程中,
小兔介绍的关于张力传感器的选型与工作原理知识的内容大家是否看明白了呢?科学技术的魅力就在于一旦找出方法就能无限的运用在生活中。让我

Lenze 9400HL在拉膜生产线之收卷中的应用_L
500x250 - 36KB - JPEG

张力传感器接线图图片大全_张力传感器接线图
537x274 - 11KB - JPEG

美国蒙特福T系列惰轮张力检测器
270x201 - 9KB - JPEG

TJL-7拉力传感器
600x342 - 139KB - PNG

瑞士FMS张力传感器A203中国总代理
1772x1920 - 337KB - JPEG

张力放大器_供应张力传感器放大器的接线定义
244x227 - 5KB - JPEG

ABB张力传感器
650x563 - 59KB - JPEG

Lenze 9400HL在拉膜生产线之收卷中的应用 -
688x616 - 89KB - PNG

基于工控机的多线切割机床电气控制系统设计,
560x394 - 131KB - JPEG

供应ABB张力传感器一套 PFTL101A -1.0KN P
310x254 - 23KB - JPEG

供应漆包线张力检测传感器优质供应商供应漆包
310x207 - 19KB - JPEG

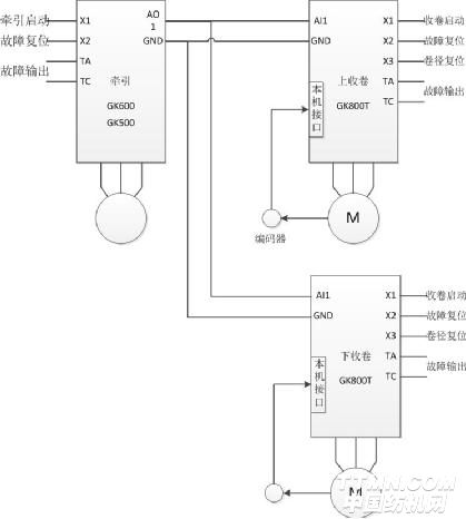
吉泰科GK800T驱动器在无张力传感器薄膜收卷
419x466 - 41KB - JPEG

【三菱张力控制器新货特价供应LE-50PAU,LD
710x533 - 59KB - JPEG

【瑞典abb压头,张力计,传感器】瑞典abb压头,
300x300 - 10KB - JPEG

【供应原装正品柯力 电梯DTE-A各种张力称重
889x536 - 65KB - JPEG
张力传感器的测量原理 圣香12|2018-06-30 |举报 张力传感器的测量原理 专业文档 专业文档是百度文库认证用户/机构上传的专业性文档,文库VIP用户或购买专业文档下载特权
张力传感器原理图张力传感器的测量原理 豆丁建筑 下载文档 张力传感器原理图张力传感器的测量原理 haoyi0039 分享于2016-12-15 07:22 张力传感器原理图张力传感器的测
张力传感器是用来检测张力大小变化的装置。内部结构多数以应变电阻为主。应变电阻在外力作用下发生机械形变时,其电阻值发生变化,称为电阻应变效应。应变电阻在电路中
张力传感器 seven号店|2012-12-15 |举报 专业文档 专业文档是百度文库认证用户/机构上传的专业性文档,文库VIP用户或购买专业文档下载特权礼包的其他会员用户可用专业文
维库仪器仪表网提供张力传感器百科知识,你可以了解到关于张力传感器的原理,安装,介绍,使用说明等有关于张力传感器的百科知识,了解更多仪器百科知识尽在维库仪器仪表网