超刺激的立体电流急急棒!你玩过没?不玩可惜哦!鼠标操作,想办法通过立体管道中很小小的孔洞中,你的实际
【立体电流急急棒小游戏】在线玩、立体电流急急棒小游戏规则玩法攻略介绍,选择在2345小游戏大全。
现代立体画 游戏类手工制作 迷你冰球游戏机 桌上冰壶游戏机 棒球弹珠台 电流急急棒 传统类手工制作 小兵人
有直冲云霄的水火箭,有惊心动魄的电流急急棒,有色彩突变的颜色实验,有充满特效的3D立体眼睛…
《立体电流急急棒》是一款益智小游戏,游戏大小为0.49M。
在三楼,有倾斜小屋、畸变小屋、蝇眼、电流急急棒,甚至还有为手机充电的东我们看了一场名为《恐龙时代》的
420×420×216,通过镜平投影,建立三维立体空间的可以开展电路的串联、并联和电流急急棒等有趣的小实验。
实例:空心字,彩虹文字,立体文字线段涂鸦板,影片剪 辑的拖曳与停止拖曳,电流急急棒游戏,判断鼠标指针
让他浑身上下都如同有电流经过一般于是他急急忙忙的向着门口走去,可这一出门,他就如同被定身咒给锁定了
魏紫嫣转头看着他线条立体的英俊侧脸。这时旁边正好有人挤过来,让她蓦地清醒过来,急急跟上夜朗杰已经走往

立体电流急急棒_逗游小游戏
300x225 - 14KB - JPEG

立体电流急急棒
268x195 - 8KB - JPEG

立体电流急急棒图片_百度百科
150x109 - 3KB - JPEG

江海碧桂园第二季真人版捕鱼达人本周六启动
500x685 - 802KB - PNG

黑色三维立体电流电波传递高科技陨石mov素材
800x2066 - 197KB - JPEG

矢量绿色立体球形电流线条素材图片免费下载_
650x651 - 159KB - JPEG

矢量卡通立体黑色电线电流线路
650x651 - 21KB - JPEG

高保真 音频隔离器音频电流声消除器立体声音
650x400 - 37KB - JPEG

【开合式立体纸雕图纸价格,开合式电流互感器
280x280 - 25KB - JPEG

矢量弧形立体电流线路
650x651 - 64KB - JPEG

【LSD汽车专用音响杂音设备立体声隔离抗干扰
378x252 - 62KB - PNG

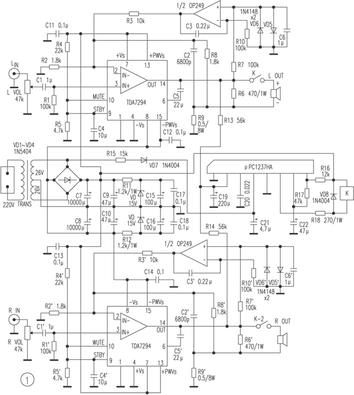
TDA7294直流伺服电流负反馈立体声功放
709x792 - 58KB - JPEG

矢量红色线路电流线条立体
650x651 - 63KB - JPEG

TDA7294直流伺服电流负反馈立体声功放
709x792 - 102KB - JPEG

高保真 音频隔离器音频电流声消除器立体声音
310x310 - 26KB - JPEG