
汽车音响底噪怎么消除_汽车音响_音响论坛_音
900x667 - 257KB - JPEG

汽车音响底噪怎么消除_汽车音响_音响论坛_音
900x667 - 245KB - JPEG

汽车音响底噪怎么消除_汽车音响_音响论坛_音
900x667 - 241KB - JPEG

汽车音响底噪怎么消除_汽车音响_音响论坛_音
900x667 - 230KB - JPEG

汽车音响底噪怎么消除_汽车音响_音响论坛_音
900x667 - 148KB - JPEG

汽车音响底噪怎么消除_汽车音响_音响论坛_音
900x667 - 257KB - JPEG

手机用耳机听音乐看电影 底噪怎么能去掉 用的
800x800 - 388KB - JPEG

定制 专业 发烧 xlr卡侬音频线 消除底噪 杜绝串
500x500 - 29KB - JPEG

小米5 底噪消除方法测试低阻抗耳机有效更新安
1591x861 - 95KB - PNG

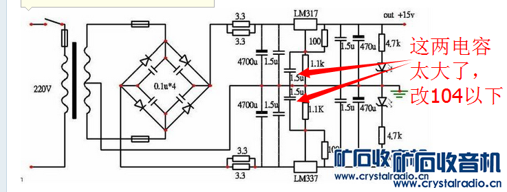
消除直流底噪需要你的高招! - 〓晶体管与集成
690x295 - 38KB - JPEG
小米5miui9底噪怎么消除?
720x1702 - 133KB - JPEG

大佬们,怎么解决type-c转3.5mm消除底噪啊
750x641 - 32KB - JPEG

去除耳机听歌底噪!
1080x1920 - 197KB - JPEG

【特价】拆车boseJBL哈曼功放底噪噪音电流声
310x310 - 125KB - JPEG

消除直流底噪需要你的高招! - 第2页 - 〓晶体管
737x280 - 155KB - PNG
对比过同事的qc25,才发现qc30的底噪有多大。周末空旷的办公区,远处有一两个同事在轻声说话,打开降噪不开
QC30底噪如何去除.各位亲,在开启耳机但不播放音乐的时候,电流声很明显,有办法改进吗?另外一个问题,为
Bose QC30是Bose发布了第二款耳塞式消噪耳机,Bose官方已经将"降噪"改为买Bose主要就是消除噪音,可能很多
Bose QC30作为Bose目前最旗舰的降噪产品之一,在很多的选购点上面更符合我个人的使用习惯,那么最近的出差
QC30的底噪,降噪全开的话,除非没有播放声音并且环境比较安静,不然应该是察觉不到的,至少比我的QC20底噪
我的qc20也有 其实没有特别需要的话根本不用买降噪耳机,你能听出底噪周围应该是是相对比较安静吧。
30dB的底噪相因此,基于底噪的生成原理及相关设备工作时的不可或缺性,降噪耳机的底噪是不可能彻底消除的
有人说Bose的消噪原理会消除底噪但保留例如人说话时的声音波动,我觉得差不多,这个图给大家体会一下。
底噪消除的dsp算法 底噪 环境噪声 消除算法 DSP 30积分/C币 时间:2009-03-21 5积分/C币 时间:2018-03-29