
【图】几款经典简单的声卡话筒功放电路分析其
603x562 - 139KB - PNG

几款经典简单的声卡话筒功放电路分析
421x592 - 29KB - JPEG

谁能看懂这个电路图_360问答
620x409 - 31KB - JPEG

电脑用高灵敏度麦克风 - 自制9014麦克风电路
365x263 - 69KB - PNG

几款经典简单的声卡话筒功放电路分析 - 功率放
645x240 - 181KB - PNG

话筒放大器电路图+-+电子发烧友网
639x382 - 27KB - JPEG

无线_电子发烧友网站
474x641 - 43KB - JPEG

便携式麦克风前置放大器
489x185 - 61KB - JPEG

自制简易无线调频话筒电路图
370x410 - 76KB - JPEG
此电路没有偏置电压源
422x227 - 16KB - JPEG

便携式麦克风前置放大电路设计
308x184 - 17KB - JPEG

3伏电源2管调频无线话筒电路图-集成音频放大
349x208 - 16KB - JPEG

驻极体话筒工作原理,高灵敏度麦克风电路 - 音
374x270 - 68KB - PNG

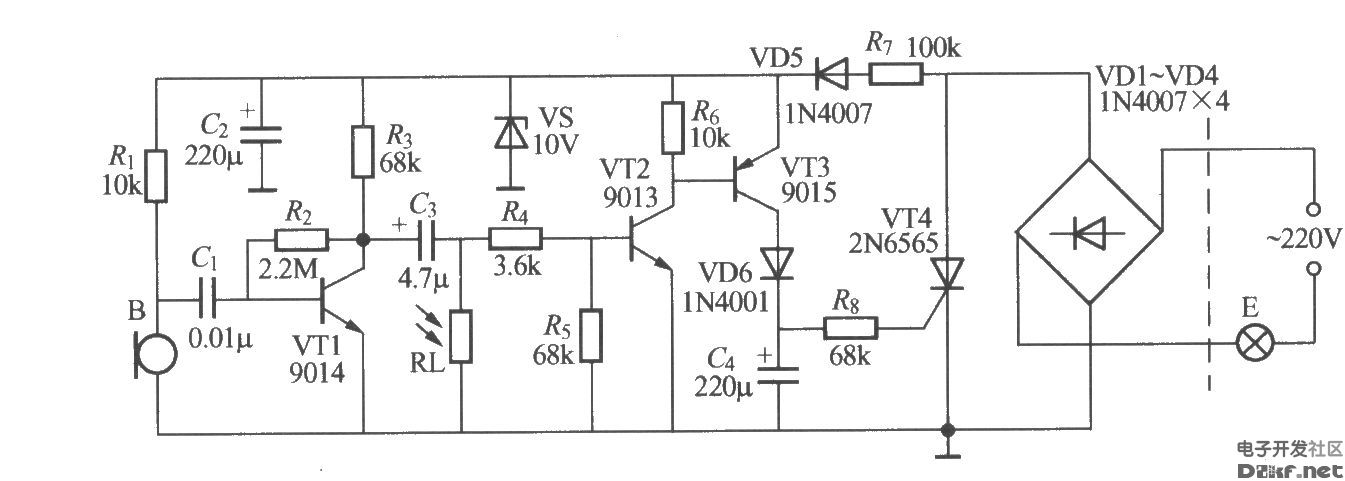
【图】分立元件声光控楼梯延迟开关电路(1)灯
1345x481 - 123KB - PNG

分立元件声光控楼梯延迟开关电路
1345x481 - 67KB - JPEG
自制9014麦克风电路图设计一 驻极体话筒工作巧妙利用机内话筒插口上的电源,不另设电池给放大电路供电。
你还在使用QQ语聊,那么我们总是希望麦克风的巧妙利用机内话筒插口上的电源,不另设电池给放大电路供电。
关键词:功放电路 放大电路 图1是整个话筒放大电路的电路图,从图1中可以看出,整个电路只要六七个原件。
话筒放大器电路图大全(六款话筒放大器电路设计原理图详解)-本文主要介绍了话筒放大器电路图大全(六款
简易话筒放大器,场效应管与晶体三极管相比,具有输入阻抗高、噪声低、动态如下图-语音电路图-电子产品世界
驻极体话筒放大电路图(三) 一个简单的麦克风放大器,可使用以下电子计划实现。该放大器使用一个麦克风,
给麦克风加装放大电路 liu_andyang|2013-05-08|暂无评价|0|0|专业文档 专业文档是百度文库认证用户/
电路如图,把三极管8050换成9014即可。RB用150K电位器代替可以调整阻值,RC=3K,三极管放大倍数取50-100都