阿里巴巴UV光氧催化装置处理喷漆房voc有机废气达到国家环保检测标准,废气吸附装置,这里云集了众多的供应商,采购商,制造商。这是UV光氧催化装置处理喷漆房voc有机废气

过滤器供应商\/生产厂家供应 干式喷漆房专用漆
800x641 - 79KB - JPEG

进口干式喷漆房VOC的排出量计算方法
300x225 - 60KB - JPEG

【广州专业生产喷漆房油漆过滤器,干式涂装喷
960x541 - 125KB - JPEG
干式漆雾净化器_干式漆雾净化器-干式脉冲除尘
300x229 - 9KB - JPEG

上海良时设计制造制冷设备环保喷漆房及干燥固
600x440 - 179KB - JPEG

喷漆房等离子光氧一体机不糊灯管需前置喷淋塔
800x552 - 125KB - JPEG

鹤壁干式喷漆房制造商|汽车喷漆室-中远立信
712x404 - 42KB - JPEG

天津家具厂voc废气净化吸附装置
293x220 - 7KB - JPEG

秦皇岛喷漆房漆雾废气净化设备v干式漆雾净化
670x503 - 41KB - JPEG

家具喷漆房干式过滤器定做 方形纸箱活性炭漆
500x500 - 163KB - JPEG

德州voc活性炭吸附塔供货时间,喷漆房废气治理
500x380 - 43KB - JPEG

家具喷漆废气会传多远,如何控制扩散
500x375 - 14KB - JPEG

【精选】喷漆房立体胶过滤棉十大品牌,喷漆房
210x210 - 17KB - JPEG

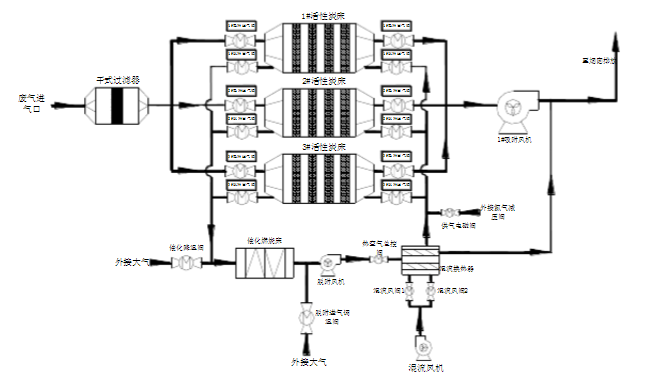
2018VOC治理推荐\/景德镇南昌新余九江RCO催
659x391 - 64KB - PNG

供应 干式过滤器 过滤箱 VOC废气处理过滤箱
165x220 - 13KB - JPEG