卓群公司专业生产中间继电器厂家,卓群公司还提供中间继电器接线图、中间继电器工作原理、延时范围、中间继电器说明书及中间继电器的作用等技术支持、可登陆卓群官网

以中间继电器为例,给你个实物接线图:(中间继电器
712x549 - 102KB - JPEG

中间继电器,接线图,求图
510x414 - 7KB - PNG

中间继电器接线图+-+已解决
450x373 - 27KB - JPEG

常安jz7-44中间继电器的接线图怎么木有
538x461 - 33KB - JPEG

求24伏my4n-j中间继电器与220伏线圈接触器接
518x504 - 43KB - JPEG

omron欧姆龙中间继电器my2nj
1024x768 - 247KB - JPEG

欧姆龙中间继电器
1105x551 - 54KB - JPEG

中间继电器与交流接触器的问题
1360x1040 - 126KB - JPEG

时间继电器(js14s),中间继电器(jzx-22f\/2z)
640x480 - 42KB - JPEG

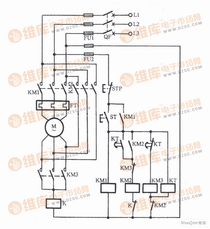
使用中间继电器防飞弧短路的启动电路图
734x800 - 263KB - JPEG

中间继电器图片|中间继电器样板图|中间继电器
300x220 - 8KB - JPEG

请问哪位师傅有中间继电器自锁电路图最好是实
500x375 - 23KB - JPEG

中间继电器图片|中间继电器样板图|正泰jz744系
600x600 - 36KB - JPEG

请问哪位师傅有中间继电器自锁电路图最好是实
720x540 - 57KB - JPEG

怎样解读中间继电器接线图
436x513 - 27KB - JPEG