欢迎前来淘宝网选购热销商品海尔空调 KFR-25GX2/A/B内机板KFR-25GWX2/E控制板0600111电脑板,想了解更多海尔空调 KFR-25GX2/A/B内机板KFR-25GWX2/E控制板06

正品原装海尔变频空调KFR-25GX2\/BPF内机电
999x749 - 167KB - JPEG

海尔_空调主板_空调配件_全新!海尔空调电脑板
310x233 - 12KB - JPEG

调主板电脑控制电路板0600288 KFR-25GX2\/B
310x310 - 17KB - JPEG

海尔_空调主板_空调配件_海尔空调一拖二内机
460x409 - 59KB - JPEG

空调一拖二内机电脑板3300215 KFR25GX2 F
310x174 - 13KB - JPEG

海尔(Haier)KFR-72LW\/06ZAC22A(花开时节)套
800x800 - 11KB - JPEG

全新海尔一拖二空调外机主板电脑控制电路板K
800x600 - 127KB - JPEG

kfrd-25gw fc23_kfr-25gw d104 n3_kfr-25gw_ k
898x754 - 424KB - JPEG

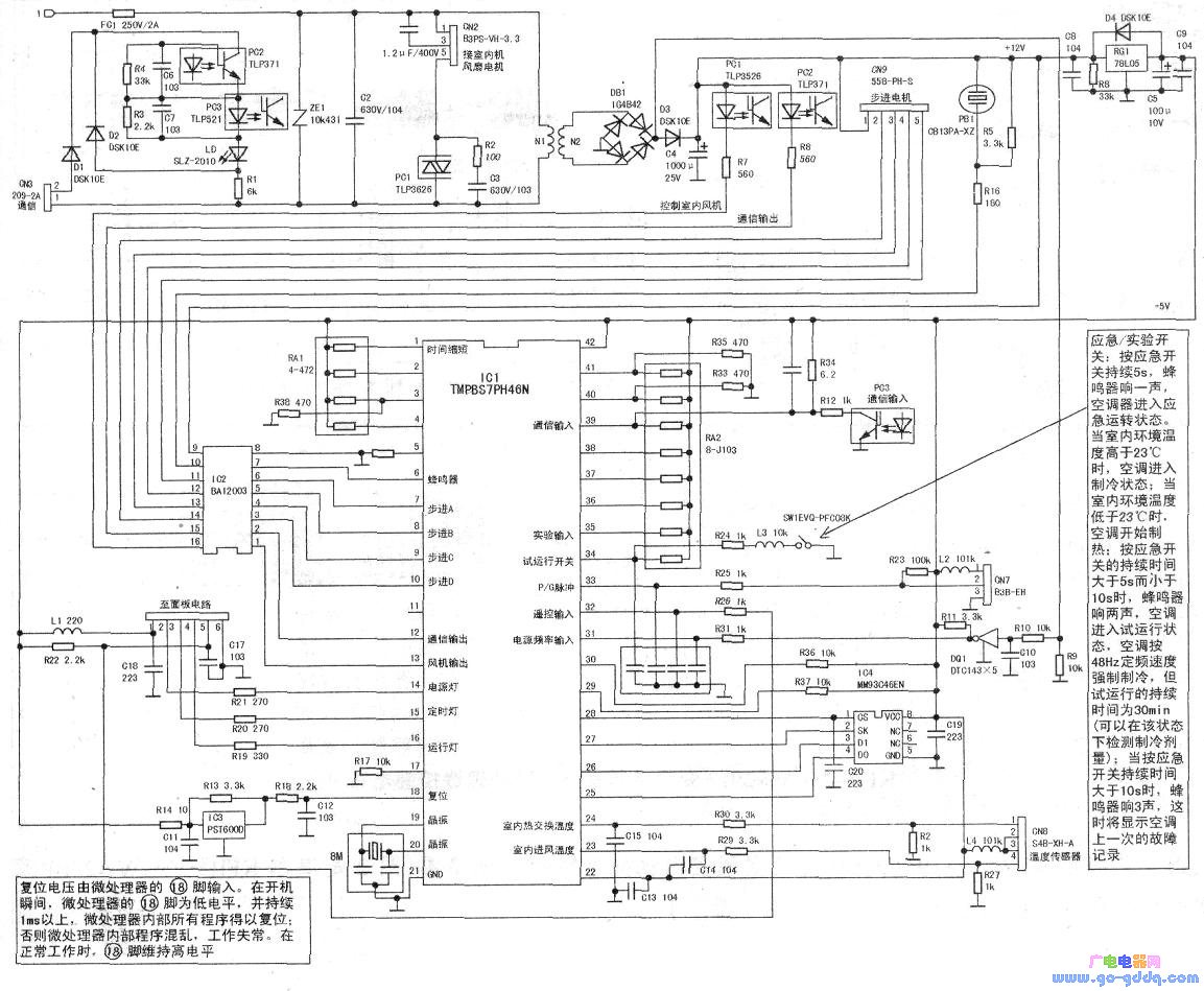
海尔KFR-25GWX2\/BP变频空调室内控制电路图
1153x949 - 214KB - JPEG

【海尔一拖二空调】最新最全海尔一拖二空调
200x220 - 18KB - JPEG

【海尔一拖二空调】最新最全海尔一拖二空调
167x220 - 8KB - JPEG

【海尔空调内机板】最新最全海尔空调内机板返
124x220 - 10KB - JPEG

海尔空调电路板专卖店-海尔空调价格,海尔空调
800x597 - 310KB - JPEG
![[最新]海尔空调电脑板价格,海尔空调电脑板最低](http://www.5jin.org/item/2/220/TB18nNKFVXXXXXaaXXXXXXXXXXX_!!0-item_pic.jpg)
[最新]海尔空调电脑板价格,海尔空调电脑板最低
220x165 - 18KB - JPEG

海尔空调电路板_海尔空调电路板图片素材
200x150 - 13KB - JPEG