海尔变频空调1.5p开机外机声音很响,外风机正常,压力正常,是什么原因? 常见问题 这个有可能是因为外机固定的时候螺丝有松动引起的,联系售后固定一下就好了 相关问题 热

不拆不知道 海尔V薄空调外机拆解_海尔 KFR-
500x375 - 39KB - JPEG

新买的海尔空调外机运转时听到丝丝的气体声音
450x307 - 37KB - JPEG

【专业海尔中央空调,海尔商用空调,侧出风外机
780x718 - 45KB - JPEG

海尔空调外机尺寸 海尔空调外机尺寸图
1280x960 - 151KB - JPEG

海尔空调外机风叶_格力空调配件风叶_空调内
866x594 - 69KB - JPEG

海尔空调原装外机风叶轴流风扇KFR-32GW\/F.
2048x1536 - 207KB - JPEG

【海尔变频一拖二空调外机电控总成】
768x1024 - 224KB - JPEG

飞歌海尔格力空调外机风叶 轴流风扇KFRD-50
310x310 - 25KB - JPEG

Haier\/海尔 商用中央空调 外机 RFC280MX 10匹
373x474 - 17KB - JPEG

【北京】三菱重工海尔中央空调KX4外机RFC2
800x736 - 157KB - JPEG

【海尔空调外机风扇叶】最新最全海尔空调外机
220x208 - 7KB - JPEG

海尔空调kf一26g\/2ed13一ds你好我想问一下我
800x800 - 101KB - JPEG

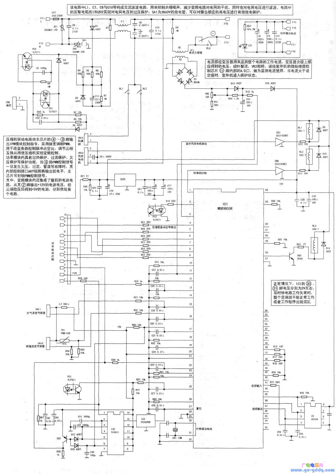
海尔KFR-36GW\/BPF变频空调室外机电路图
1079x1522 - 263KB - JPEG

【海尔空调维修DIY】北京海尔空调维修点_家
605x375 - 60KB - JPEG

淘宝网购物-海尔 格力 飞歌等空调配件外机风叶
400x377 - 34KB - JPEG